专利数据库
统计分析
产业报告
专利数据监控
产业人才
行业动态
产业政策法规
维权援助
个人中心
详情
文本
图像
标题
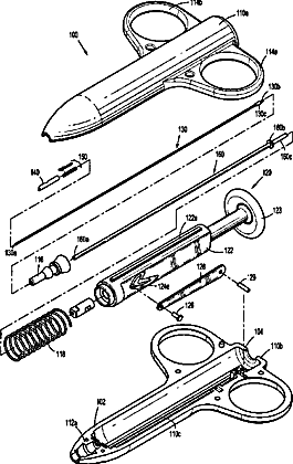
Suture clip applier
授权日
2014-05-27
公开(公告)号
US8734469
申请日
2010-10-05
公开(公告)日
2014-05-27
当前申请(专利权)人
COVIDIEN LP
发明人
PRIBANIC, RUSSELL | MARCZYK, STANISLAW
简单同族
AU2010227106A1 | CA2717448A1 | CA2717448C | CA2972444A1 | CA2972444C | EP2311384A2 | EP2311384A3 | EP2311384B1 | ES2687777T3 | US20110087242A1 | US8734469
简单同族成员数量
11
简单同族被引用专利总数
119
诉讼案件数
0
法律状态/事件
授权 | 权利转移
抱歉,您的浏览器不支持PDF预览,请点击链接下载PDF文件