专利数据库
统计分析
产业报告
专利数据监控
产业人才
行业动态
产业政策法规
维权援助
个人中心
详情
文本
图像
标题
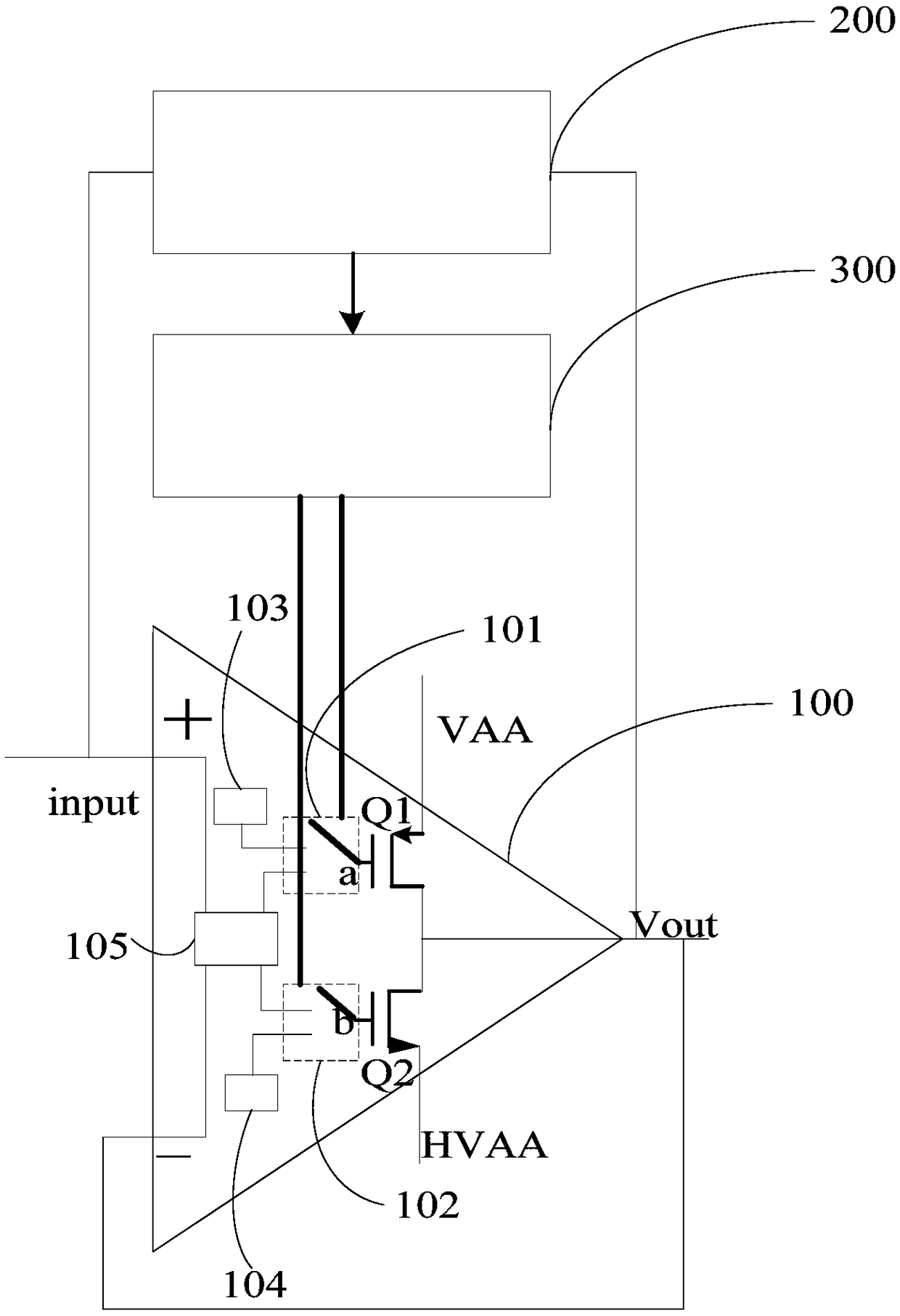
放大电路、源极驱动器及液晶显示器
授权日
1900-01-01
公开(公告)号
CN108053799A
申请日
2018-01-23
公开(公告)日
2018-05-18
当前申请(专利权)人
深圳市华星光电技术有限公司
发明人
黎云涛
简单同族
CN108053799A
简单同族成员数量
1
简单同族被引用专利总数
0
诉讼案件数
0
法律状态/事件
实质审查
抱歉,您的浏览器不支持PDF预览,请点击链接下载PDF文件