专利数据库
统计分析
产业报告
专利数据监控
产业人才
行业动态
产业政策法规
维权援助
个人中心
详情
文本
图像
标题
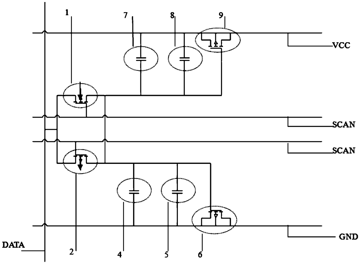
一种增大LCOS像素单元电路存储电容的器件结构
授权日
2015-08-12
公开(公告)号
CN204557029U
申请日
2015-04-30
公开(公告)日
2015-08-12
当前申请(专利权)人
南开大学
发明人
代永平 | 刘彐娇
简单同族
CN204557029U
简单同族成员数量
1
简单同族被引用专利总数
0
诉讼案件数
0
法律状态/事件
授权
抱歉,您的浏览器不支持PDF预览,请点击链接下载PDF文件