专利数据库
统计分析
产业报告
专利数据监控
产业人才
行业动态
产业政策法规
维权援助
个人中心
详情
文本
图像
标题
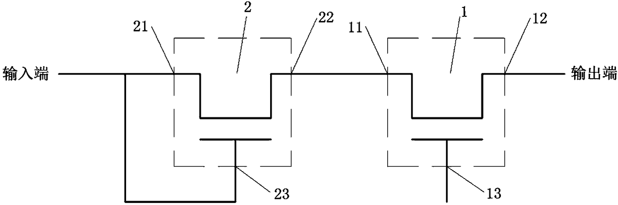
一种用于薄膜晶体管的防静电单元、驱动电路及显示装置
授权日
1900-01-01
公开(公告)号
CN108335681A
申请日
2018-02-13
公开(公告)日
2018-07-27
当前申请(专利权)人
京东方科技集团股份有限公司 | 合肥鑫晟光电科技有限公司
发明人
杨海鹏 | 王登峰 | 戴珂 | 周茂秀
简单同族
CN108335681A
简单同族成员数量
1
简单同族被引用专利总数
0
诉讼案件数
0
法律状态/事件
实质审查
抱歉,您的浏览器不支持PDF预览,请点击链接下载PDF文件