专利数据库
统计分析
产业报告
专利数据监控
产业人才
行业动态
产业政策法规
维权援助
个人中心
详情
文本
图像
标题
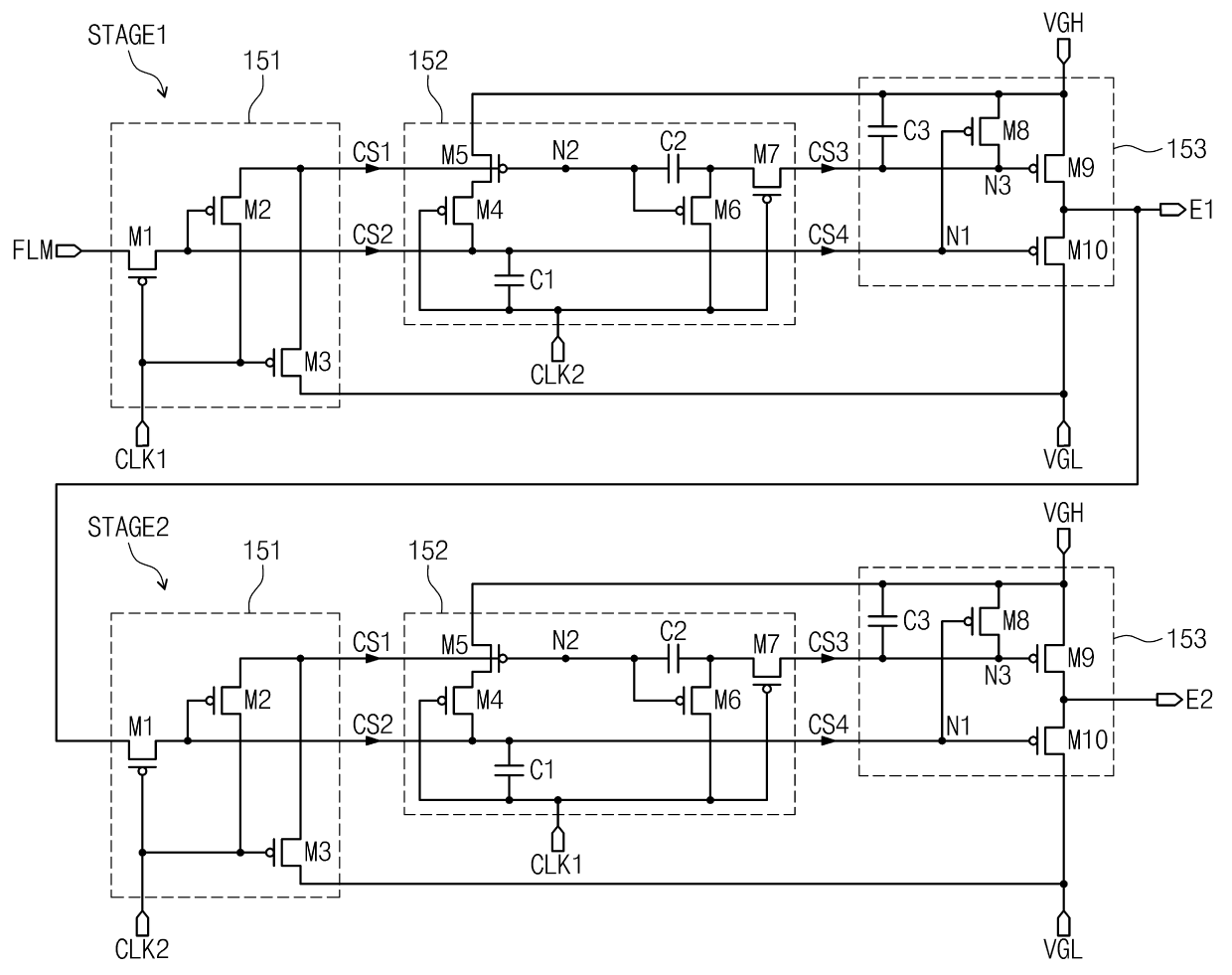
발광 제어 구동부 및 그것을 포함하는 유기발광 표시장치
授权日
2020-04-01
公开(公告)号
KR102098331B1
申请日
2019-04-29
公开(公告)日
2020-04-08
当前申请(专利权)人
삼성디스플레이 주식회사
发明人
장환수
简单同族
KR1020190050310A | KR102098331B1
简单同族成员数量
2
简单同族被引用专利总数
0
诉讼案件数
0
法律状态/事件
授权
抱歉,您的浏览器不支持PDF预览,请点击链接下载PDF文件