专利数据库
统计分析
产业报告
专利数据监控
产业人才
行业动态
产业政策法规
维权援助
个人中心
详情
文本
图像
标题
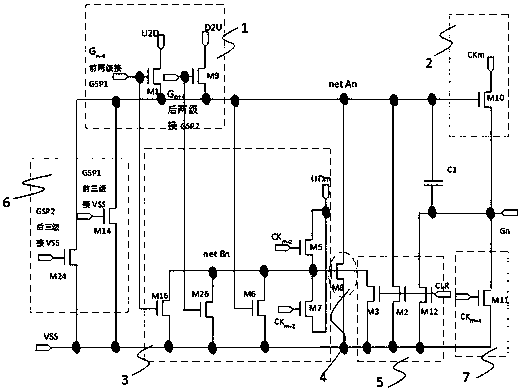
一种栅极扫描驱动电路和液晶显示装置
授权日
1900-01-01
公开(公告)号
CN109637487A
申请日
2019-01-28
公开(公告)日
2019-04-16
当前申请(专利权)人
南京中电熊猫平板显示科技有限公司 | 南京中电熊猫液晶显示科技有限公司 | 南京华东电子信息科技股份有限公司
发明人
刘德钰 | 刘彬 | 夏迪 | 王志军
简单同族
CN109637487A
简单同族成员数量
1
简单同族被引用专利总数
0
诉讼案件数
0
法律状态/事件
实质审查
抱歉,您的浏览器不支持PDF预览,请点击链接下载PDF文件