专利数据库
统计分析
产业报告
专利数据监控
产业人才
行业动态
产业政策法规
维权援助
个人中心
详情
文本
图像
标题
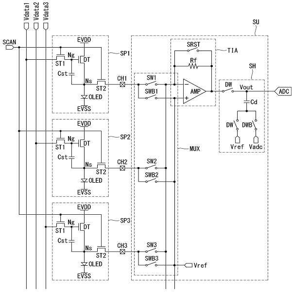
센싱 회로, 센싱 회로를 포함한 유기발광 표시장치, 및 유기발광 표시장치의 센싱 방법
授权日
1900-01-01
公开(公告)号
KR1020180025512A
申请日
2016-08-31
公开(公告)日
2018-03-09
当前申请(专利权)人
엘지디스플레이 주식회사 | 한양대학교 산학협력단
发明人
홍석현 | 김범식 | 김승태 | 우경돈 | 임명기 | 유재익 | 배재윤 | 권오경
简单同族
KR1020180025512A
简单同族成员数量
1
简单同族被引用专利总数
0
诉讼案件数
0
法律状态/事件
公开
抱歉,您的浏览器不支持PDF预览,请点击链接下载PDF文件