专利数据库
统计分析
产业报告
专利数据监控
产业人才
行业动态
产业政策法规
维权援助
个人中心
详情
文本
图像
标题
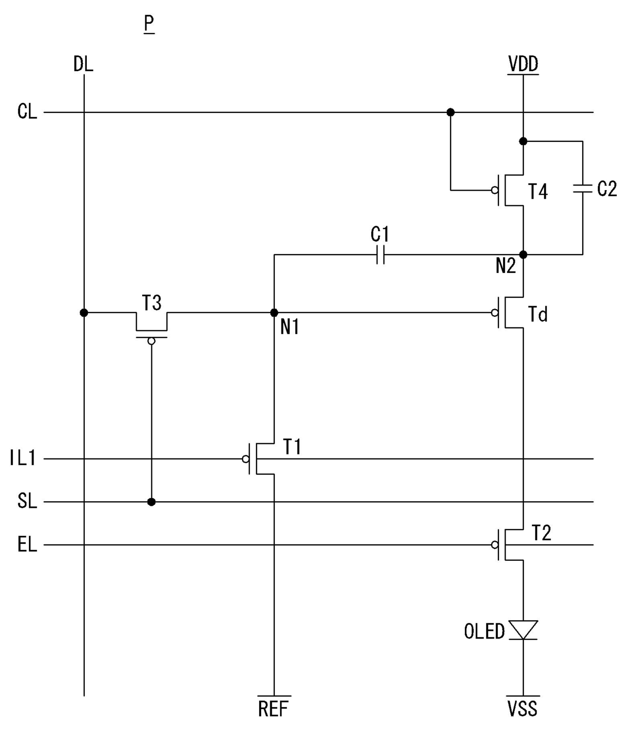
발명의 명칭 유기발광다이오드 표시장치
授权日
2014-05-09
公开(公告)号
KR101396004B1
申请日
2011-08-17
公开(公告)日
2014-05-16
当前申请(专利权)人
엘지디스플레이 주식회사
发明人
한인효 | 이현행 | 한성만
简单同族
CN102956192A | CN102956192B | DE102012105107A1 | DE102012105107A9 | DE102012105107B4 | GB201206846D0 | GB2493800A | GB2493800B | KR101396004B1 | KR1020130019620A | US20130043802A1 | US9123294
简单同族成员数量
12
简单同族被引用专利总数
66
诉讼案件数
0
法律状态/事件
授权
抱歉,您的浏览器不支持PDF预览,请点击链接下载PDF文件