专利数据库
统计分析
产业报告
专利数据监控
产业人才
行业动态
产业政策法规
维权援助
个人中心
详情
文本
图像
标题
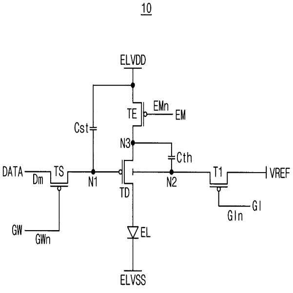
발명의 명칭 화소 회로 및 이를 포함하는 유기 발광 표시 장치
授权日
1900-01-01
公开(公告)号
KR1020160018892A
申请日
2014-08-07
公开(公告)日
2016-02-18
当前申请(专利权)人
삼성디스플레이 주식회사
发明人
임재근 | 양희원 | 채종철
简单同族
KR1020160018892A | US20160042694A1 | US9786222
简单同族成员数量
3
简单同族被引用专利总数
46
诉讼案件数
0
法律状态/事件
实质审查
抱歉,您的浏览器不支持PDF预览,请点击链接下载PDF文件