专利数据库
统计分析
产业报告
专利数据监控
产业人才
行业动态
产业政策法规
维权援助
个人中心
详情
文本
图像
标题
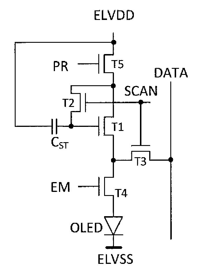
발명의 명칭 픽셀 유닛 회로, 그 보상 방법, 및 디스플레이 디바이스
授权日
1900-01-01
公开(公告)号
KR1020140136913A
申请日
2013-06-26
公开(公告)日
2014-12-01
当前申请(专利权)人
BOE TECHNOLOGY GROUP CO., LTD.
发明人
WU, ZHONGYUAN | DUAN, LIYE
简单同族
CN103236237A | CN103236237B | EP2991065A1 | EP2991065A4 | JP2016524174A | JP6262845B2 | KR101530500B1 | KR1020140136913A | US20150339974A1 | US9373281 | WO2014172992A1
简单同族成员数量
11
简单同族被引用专利总数
53
诉讼案件数
0
法律状态/事件
授权
抱歉,您的浏览器不支持PDF预览,请点击链接下载PDF文件