专利数据库
统计分析
产业报告
专利数据监控
产业人才
行业动态
产业政策法规
维权援助
个人中心
详情
文本
图像
标题
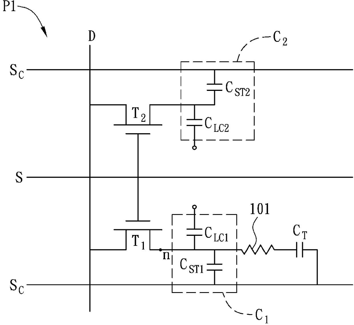
液晶显示装置
授权日
1900-01-01
公开(公告)号
CN103777419A
申请日
2012-10-24
公开(公告)日
2014-05-07
当前申请(专利权)人
群康科技(深圳)有限公司 | 奇美电子股份有限公司
发明人
谢耀联 | 欧阳祥睿 | 黄钰胜 | 吴青龙
简单同族
CN103777419A
简单同族成员数量
1
简单同族被引用专利总数
0
诉讼案件数
0
法律状态/事件
撤回
抱歉,您的浏览器不支持PDF预览,请点击链接下载PDF文件