专利数据库
统计分析
产业报告
专利数据监控
产业人才
行业动态
产业政策法规
维权援助
个人中心
详情
文本
图像
标题
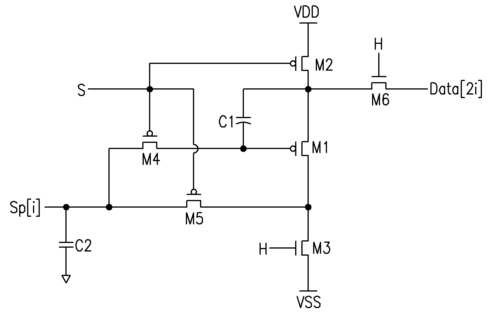
샘플/홀드 회로 및 이를 이용한 표시 장치
授权日
1900-01-01
公开(公告)号
KR1020050110943A
申请日
2004-05-20
公开(公告)日
2005-11-24
当前申请(专利权)人
삼성에스디아이 주식회사
发明人
정보용 | 신동용
简单同族
KR100648675B1 | KR1020050110943A
简单同族成员数量
2
简单同族被引用专利总数
0
诉讼案件数
0
法律状态/事件
未缴年费 | 权利转移
抱歉,您的浏览器不支持PDF预览,请点击链接下载PDF文件