专利数据库
统计分析
产业报告
专利数据监控
产业人才
行业动态
产业政策法规
维权援助
个人中心
详情
文本
图像
标题
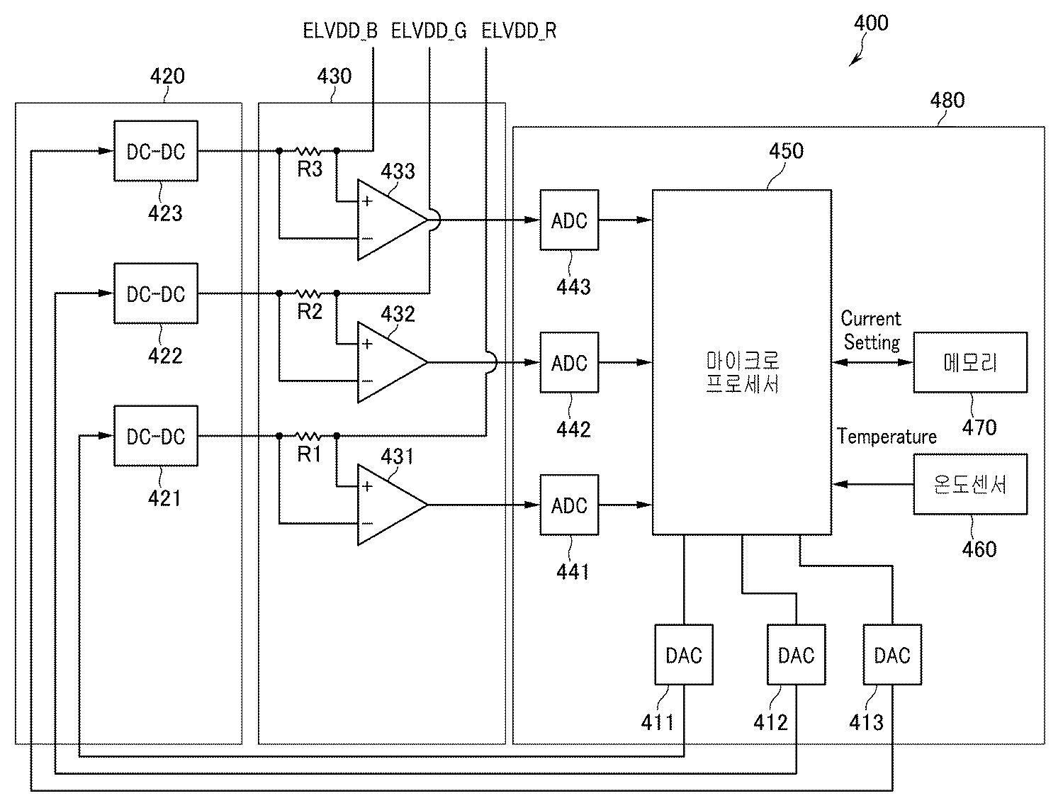
유기 발광 표시 장치 및 그 구동 방법
授权日
1900-01-01
公开(公告)号
KR1020090011752A
申请日
2007-07-27
公开(公告)日
2009-02-02
当前申请(专利权)人
삼성에스디아이 주식회사
发明人
류도형 | 김도익
简单同族
KR100885966B1 | KR1020090011752A | US20090027375A1 | US8139006
简单同族成员数量
4
简单同族被引用专利总数
47
诉讼案件数
0
法律状态/事件
授权
抱歉,您的浏览器不支持PDF预览,请点击链接下载PDF文件