专利数据库
统计分析
产业报告
专利数据监控
产业人才
行业动态
产业政策法规
维权援助
个人中心
详情
文本
图像
标题
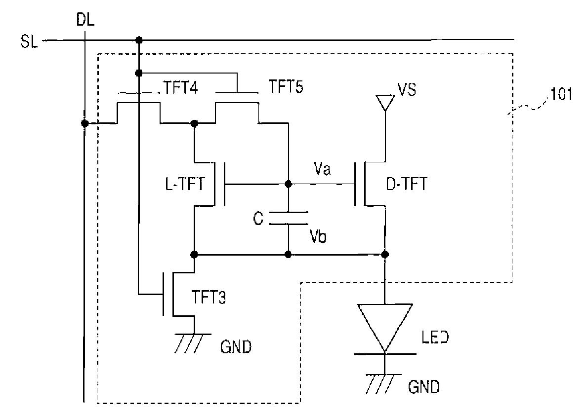
유기 발광 표시 디바이스
授权日
2011-02-08
公开(公告)号
KR101014899B1
申请日
2007-08-24
公开(公告)日
2011-02-16
当前申请(专利权)人
캐논 가부시끼가이샤
发明人
아베,가쯔미
简单同族
CN101427296A | CN101427296B | EP2016579A1 | JP2013225140A | KR101014899B1 | KR1020090013811A | US20090231241A1 | US8159422 | WO2008029717A1
简单同族成员数量
9
简单同族被引用专利总数
46
诉讼案件数
0
法律状态/事件
授权
抱歉,您的浏览器不支持PDF预览,请点击链接下载PDF文件