专利数据库
统计分析
产业报告
专利数据监控
产业人才
行业动态
产业政策法规
维权援助
个人中心
详情
文本
图像
标题
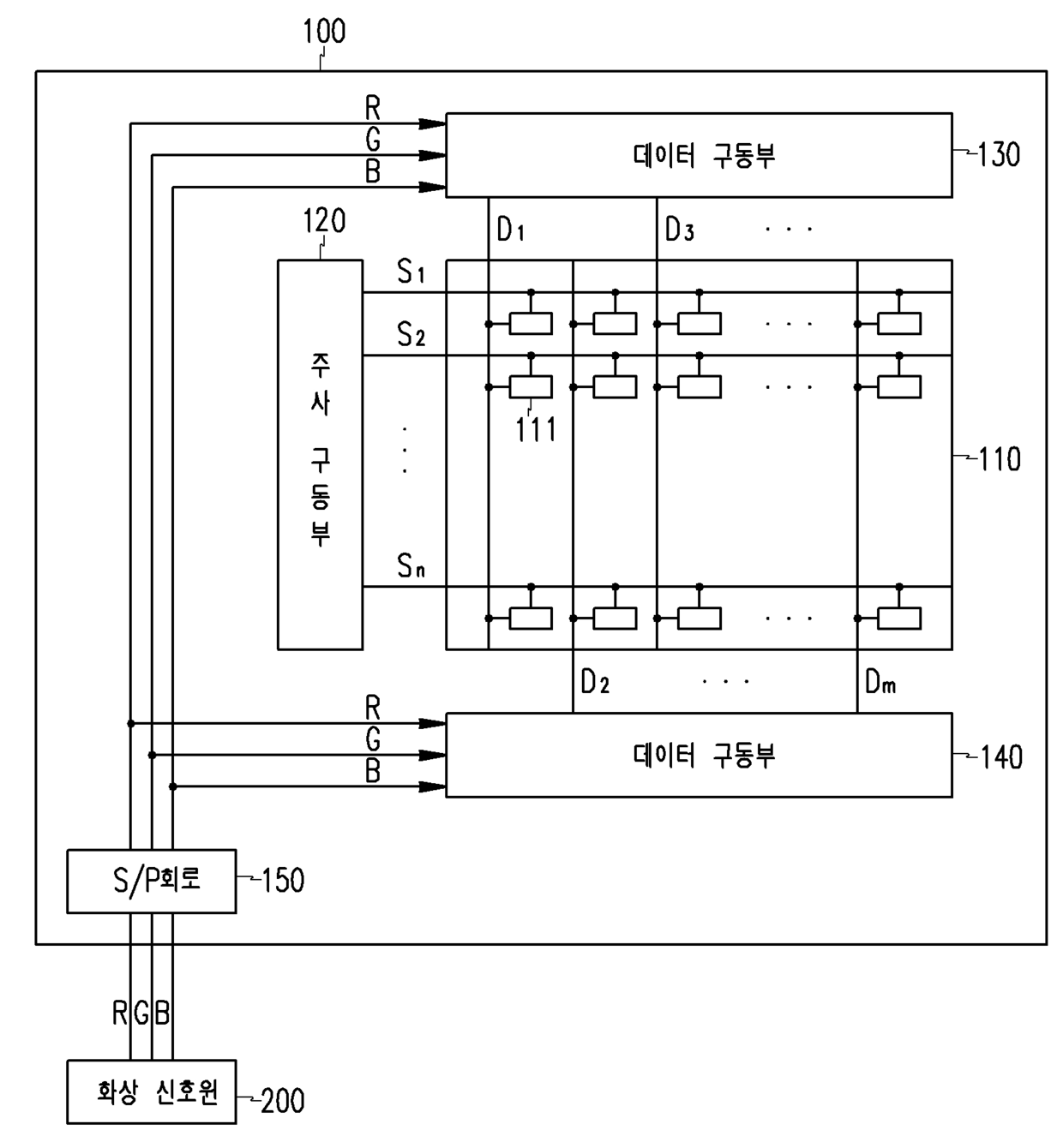
발광 표시 장치 및 그 표시 패널
授权日
2006-04-06
公开(公告)号
KR100570759B1
申请日
2004-04-29
公开(公告)日
2006-04-12
当前申请(专利权)人
삼성에스디아이 주식회사
发明人
PARK,YONGSUNG
简单同族
KR100570759B1 | KR1020050104621A
简单同族成员数量
2
简单同族被引用专利总数
0
诉讼案件数
0
法律状态/事件
授权 | 权利转移
抱歉,您的浏览器不支持PDF预览,请点击链接下载PDF文件