专利数据库
统计分析
产业报告
专利数据监控
产业人才
行业动态
产业政策法规
维权援助
个人中心
详情
文本
图像
标题
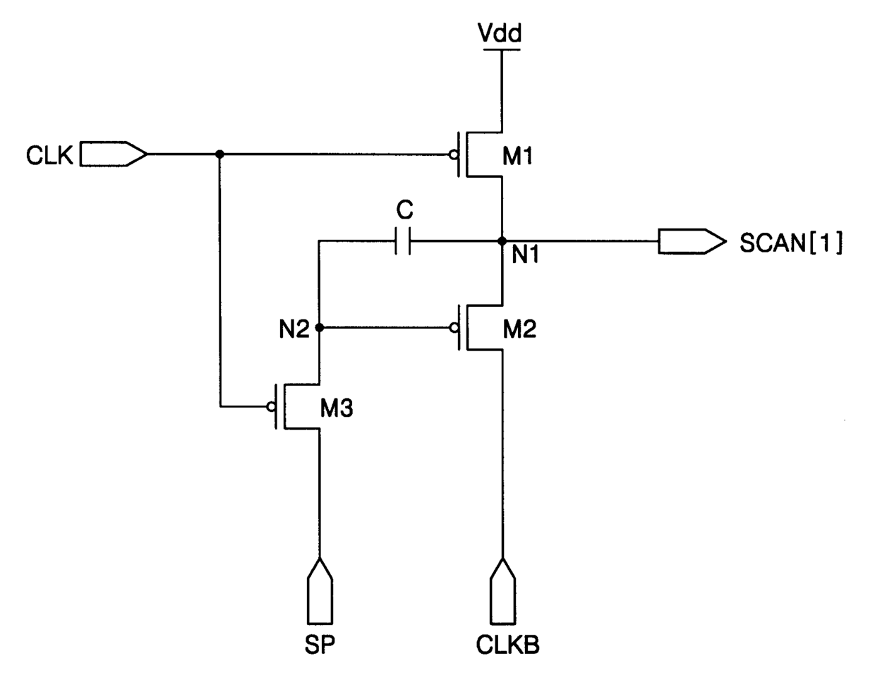
주사 구동부 및 이를 포함하는 유기 전계발광 표시장치
授权日
2007-01-04
公开(公告)号
KR100667075B1
申请日
2005-07-22
公开(公告)日
2007-01-10
当前申请(专利权)人
삼성에스디아이 주식회사
发明人
CHUNG BO YONG
简单同族
CN1901017A | CN1901017B | DE602006014622D1 | EP1746566A1 | EP1746566B1 | JP2007034288A | JP4489736B2 | KR100667075B1 | US20070018918A1 | US8264426
简单同族成员数量
10
简单同族被引用专利总数
71
诉讼案件数
0
法律状态/事件
授权 | 权利转移
抱歉,您的浏览器不支持PDF预览,请点击链接下载PDF文件