专利数据库
统计分析
产业报告
专利数据监控
产业人才
行业动态
产业政策法规
维权援助
个人中心
详情
文本
图像
标题
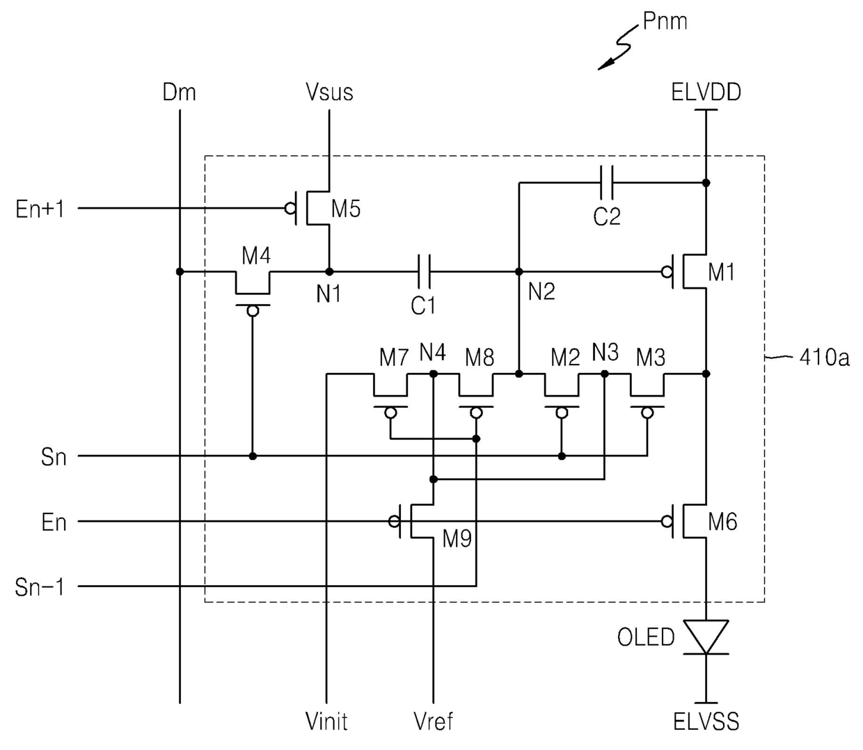
화소 회로 및 유기 전계 발광 표시 장치
授权日
2011-12-15
公开(公告)号
KR101097325B1
申请日
2009-12-31
公开(公告)日
2011-12-23
当前申请(专利权)人
삼성모바일디스플레이주식회사
发明人
정보용 | 박용성 | 최덕영
简单同族
KR101097325B1 | KR1020110079220A | US20110157126A1 | US8547372
简单同族成员数量
4
简单同族被引用专利总数
63
诉讼案件数
0
法律状态/事件
未缴年费 | 复审 | 权利转移
抱歉,您的浏览器不支持PDF预览,请点击链接下载PDF文件