专利数据库
统计分析
产业报告
专利数据监控
产业人才
行业动态
产业政策法规
维权援助
个人中心
详情
文本
图像
标题
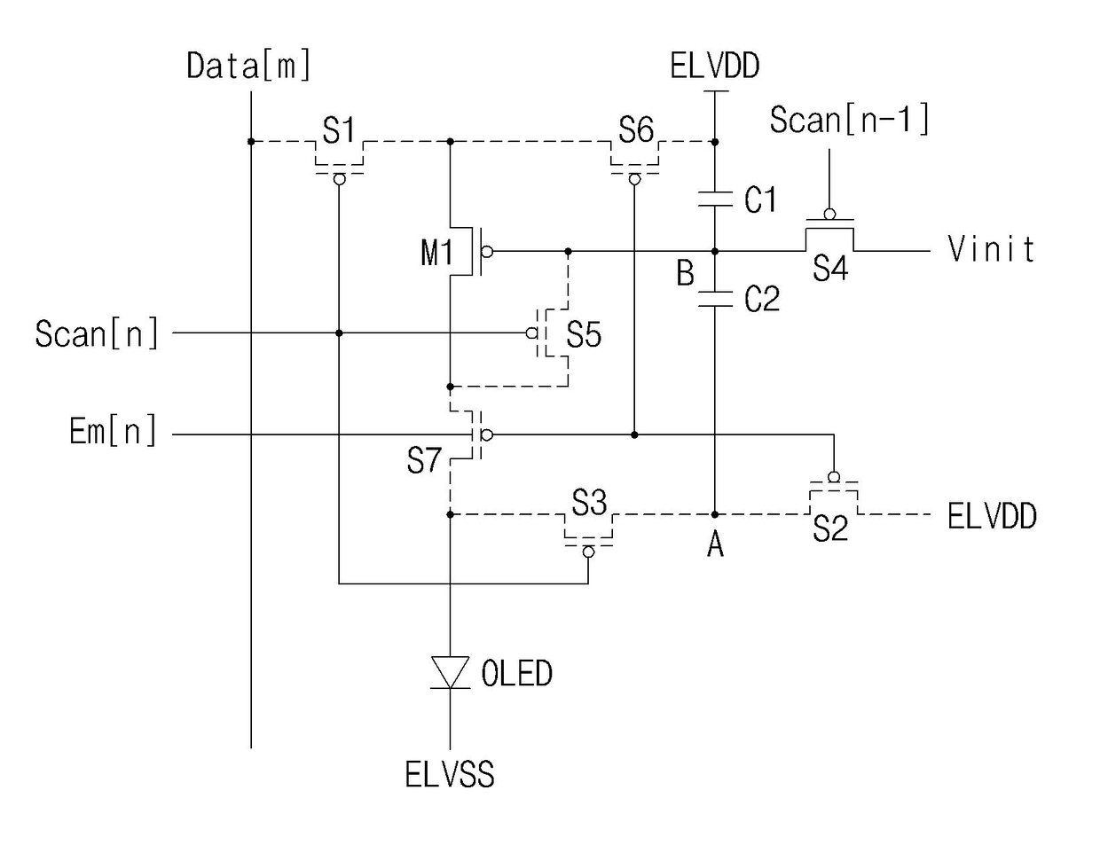
유기 전계 발광 표시 장치
授权日
2008-10-20
公开(公告)号
KR100865394B1
申请日
2007-03-02
公开(公告)日
2008-10-24
当前申请(专利权)人
삼성에스디아이 주식회사
发明人
KIM, YANG WAN
简单同族
CN101256732A | CN101256732B | EP1968038A1 | JP2008216962A | JP4680964B2 | KR100865394B1 | KR1020080080712A | US20080211747A1 | US8334825
简单同族成员数量
9
简单同族被引用专利总数
65
诉讼案件数
0
法律状态/事件
授权 | 权利转移
抱歉,您的浏览器不支持PDF预览,请点击链接下载PDF文件