专利数据库
统计分析
产业报告
专利数据监控
产业人才
行业动态
产业政策法规
维权援助
个人中心
详情
文本
图像
标题
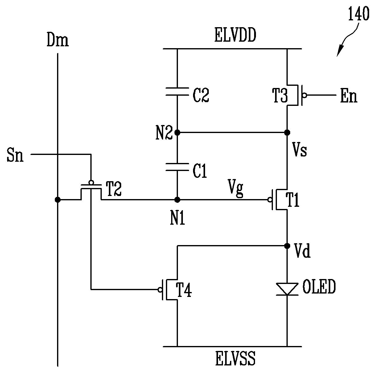
화소 및 이를 이용한 유기전계발광 표시장치
授权日
1900-01-01
公开(公告)号
KR1020120009904A
申请日
2010-07-22
公开(公告)日
2012-02-02
当前申请(专利权)人
삼성디스플레이 주식회사
发明人
정진태
简单同族
KR101692367B1 | KR1020120009904A | US20120019498A1 | US8497824
简单同族成员数量
4
简单同族被引用专利总数
49
诉讼案件数
0
法律状态/事件
授权
抱歉,您的浏览器不支持PDF预览,请点击链接下载PDF文件