专利数据库
统计分析
产业报告
专利数据监控
产业人才
行业动态
产业政策法规
维权援助
个人中心
详情
文本
图像
标题
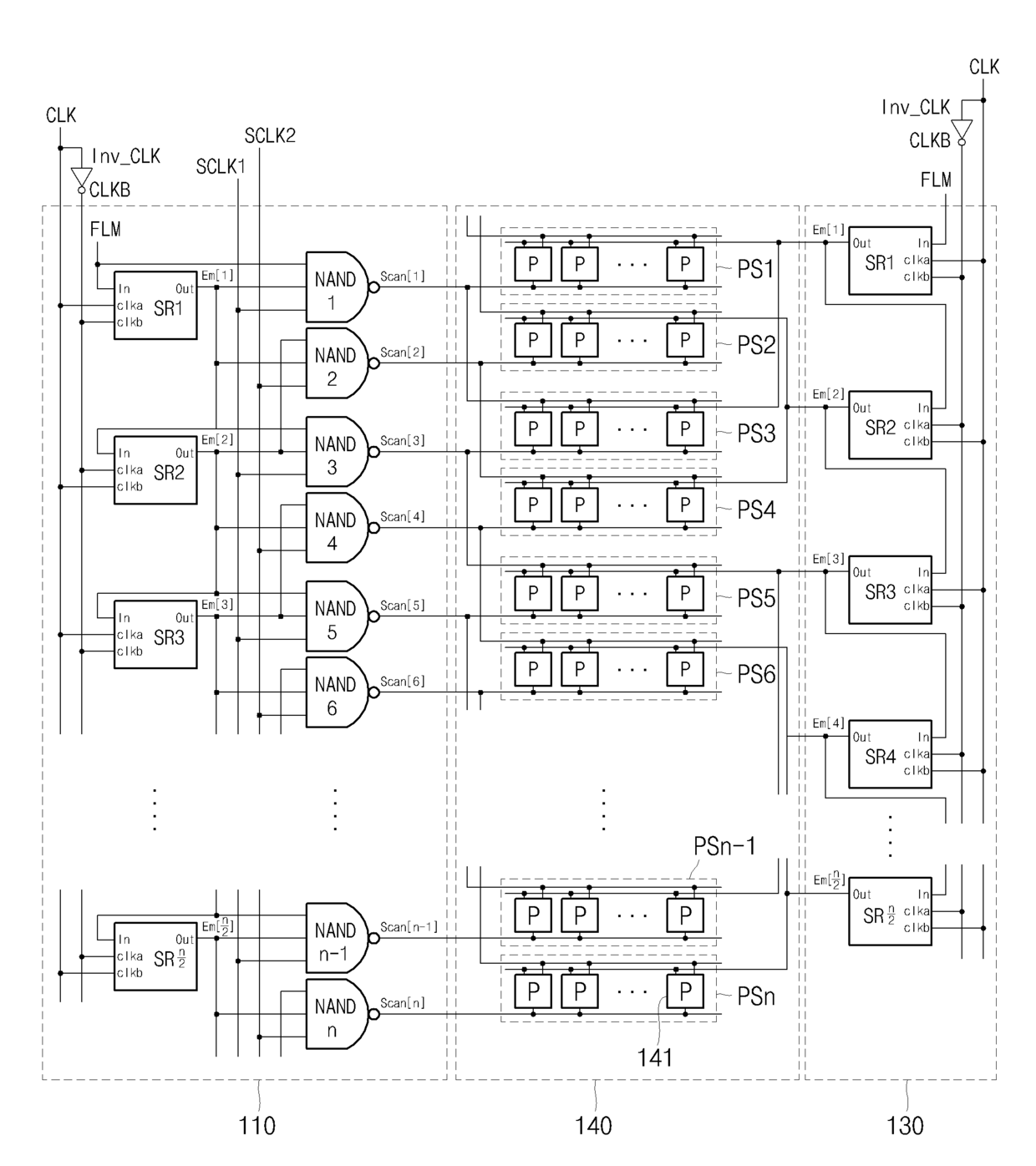
유기 전계 발광 표시 장치
授权日
2008-02-18
公开(公告)号
KR100807062B1
申请日
2007-04-06
公开(公告)日
2008-02-25
当前申请(专利权)人
삼성에스디아이 주식회사
发明人
KIM, JONG YUN
简单同族
CN101281719A | CN101281719B | EP1978503A2 | EP1978503A3 | EP1978503B1 | JP2008257159A | JP5032234B2 | KR100807062B1 | US20080246697A1 | US8022920
简单同族成员数量
10
简单同族被引用专利总数
79
诉讼案件数
0
法律状态/事件
授权 | 权利转移
抱歉,您的浏览器不支持PDF预览,请点击链接下载PDF文件