专利数据库
统计分析
产业报告
专利数据监控
产业人才
行业动态
产业政策法规
维权援助
个人中心
详情
文本
图像
标题
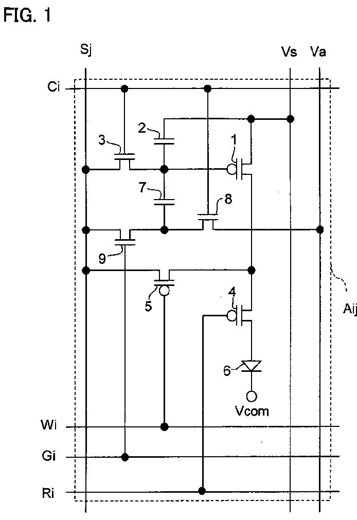
Display device and drive method thereof
授权日
1900-01-01
公开(公告)号
EP1610291A4
申请日
2003-10-31
公开(公告)日
2009-04-29
当前申请(专利权)人
SHARP KABUSHIKI KAISHA
发明人
NUMAO, TAKAJI
简单同族
AU2003280706A1 | CN100426357C | CN1759432A | EP1610291A1 | EP1610291A4 | JP2005062794A | JP4197287B2 | TW200425017A | TWI244632B | US20060245121A1 | US7800564 | WO2004088623A1
简单同族成员数量
12
简单同族被引用专利总数
48
诉讼案件数
0
法律状态/事件
驳回
抱歉,您的浏览器不支持PDF预览,请点击链接下载PDF文件