专利数据库
统计分析
产业报告
专利数据监控
产业人才
行业动态
产业政策法规
维权援助
个人中心
详情
文本
图像
标题
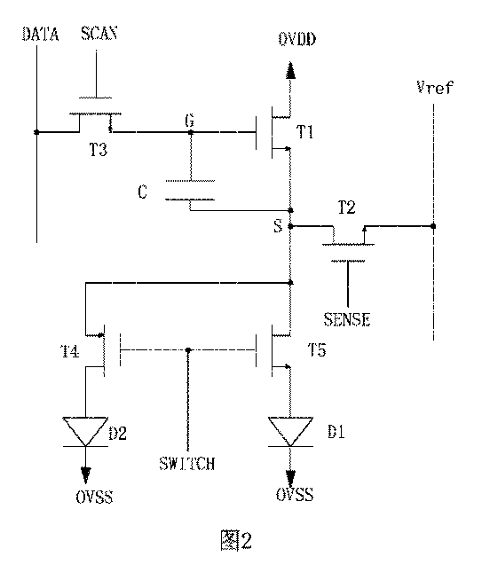
画素駆動回路及びその修復方法、表示装置
授权日
1900-01-01
公开(公告)号
JP2020522017A
申请日
2017-07-13
公开(公告)日
2020-07-27
当前申请(专利权)人
深▲セン▼市▲華▼星光▲電▼半▲導▼体▲顕▼示技▲術▼有限公司
发明人
周 学兵 | 温 亦▲謙▼ | 周 明忠
简单同族
JP2020522017A
简单同族成员数量
1
简单同族被引用专利总数
0
诉讼案件数
0
法律状态/事件
-
抱歉,您的浏览器不支持PDF预览,请点击链接下载PDF文件