专利数据库
统计分析
产业报告
专利数据监控
产业人才
行业动态
产业政策法规
维权援助
个人中心
详情
文本
图像
标题
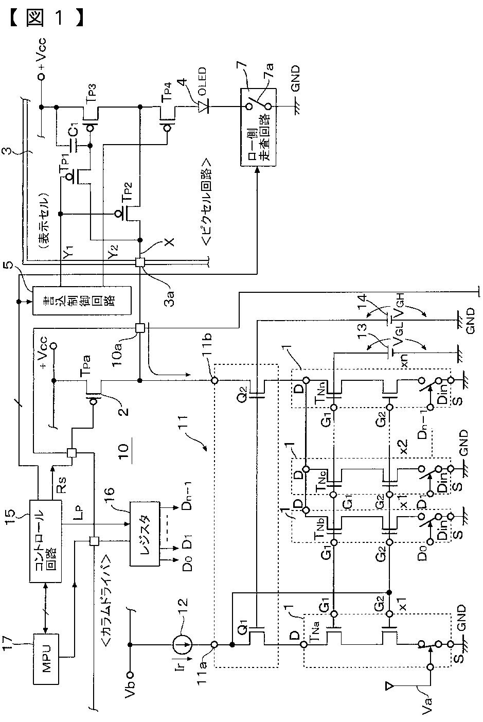
有機EL駆動回路および有機EL表示装置
授权日
2012-04-20
公开(公告)号
JP4977460B2
申请日
2005-03-28
公开(公告)日
2012-07-18
当前申请(专利权)人
ローム株式会社
发明人
阿部 真一 | 前出 淳 | 藤沢 雅憲
简单同族
CN100479017C | CN1938742A | JP4977460B2 | JPWO2005093702A1 | KR100811350B1 | KR1020070004785A | TW200601244A | US20070195017A1 | US7688289 | WO2005093702A1
简单同族成员数量
10
简单同族被引用专利总数
47
诉讼案件数
0
法律状态/事件
未缴年费
抱歉,您的浏览器不支持PDF预览,请点击链接下载PDF文件