专利数据库
统计分析
产业报告
专利数据监控
产业人才
行业动态
产业政策法规
维权援助
个人中心
详情
文本
图像
标题
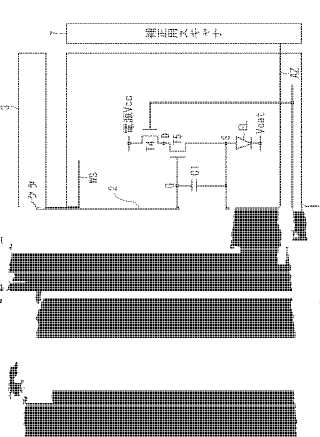
画素回路
授权日
1900-01-01
公开(公告)号
JP2007148128A
申请日
2005-11-29
公开(公告)日
2007-06-14
当前申请(专利权)人
ソニー株式会社
发明人
内野 勝秀 | 山下 淳一 | 山本 哲郎
简单同族
JP2007148128A
简单同族成员数量
1
简单同族被引用专利总数
64
诉讼案件数
0
法律状态/事件
驳回
抱歉,您的浏览器不支持PDF预览,请点击链接下载PDF文件