专利数据库
统计分析
产业报告
专利数据监控
产业人才
行业动态
产业政策法规
维权援助
个人中心
详情
文本
图像
标题
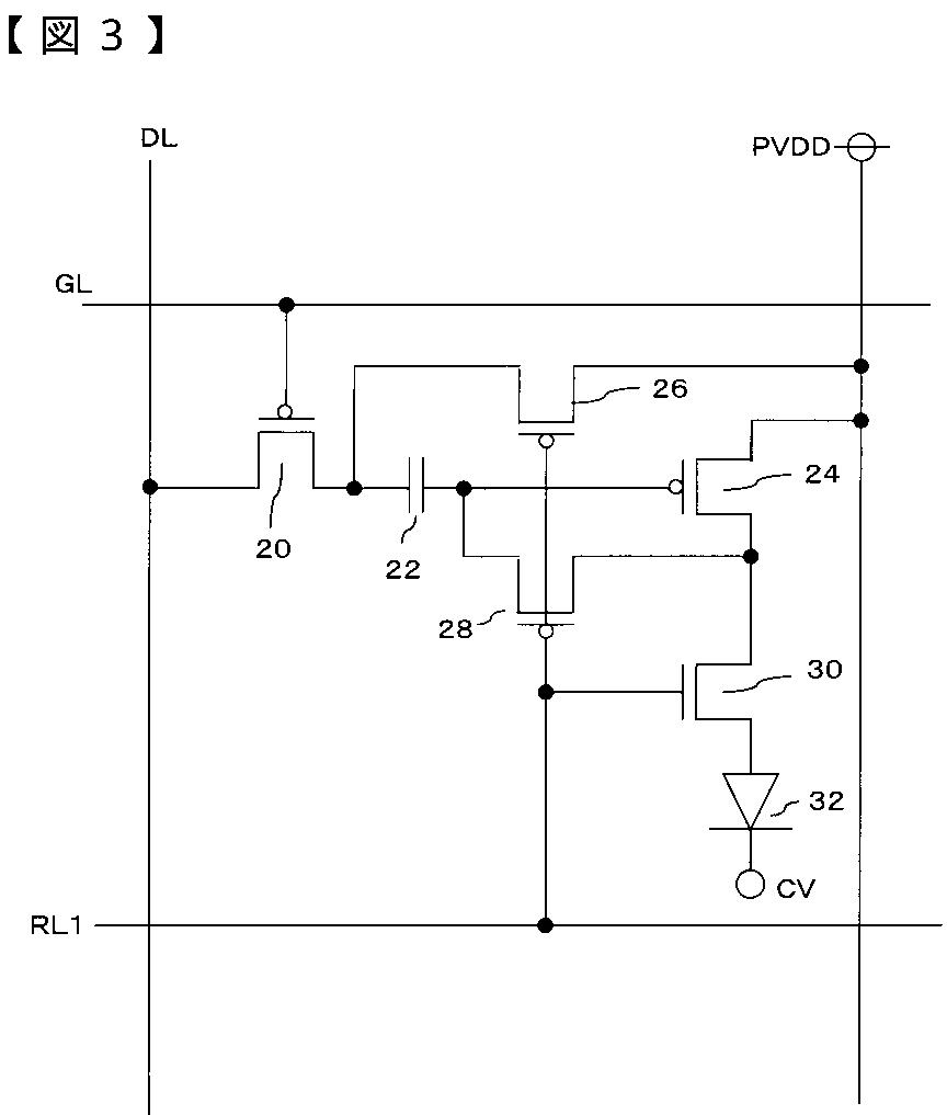
有機EL画素回路
授权日
2012-09-07
公开(公告)号
JP5078223B2
申请日
2004-09-30
公开(公告)日
2012-11-21
当前申请(专利权)人
三洋電機株式会社
发明人
佐々木 昭史 | 松本 昭一郎
简单同族
JP2005128521A | JP5078223B2
简单同族成员数量
2
简单同族被引用专利总数
46
诉讼案件数
0
法律状态/事件
授权
抱歉,您的浏览器不支持PDF预览,请点击链接下载PDF文件