专利数据库
统计分析
产业报告
专利数据监控
产业人才
行业动态
产业政策法规
维权援助
个人中心
详情
文本
图像
标题
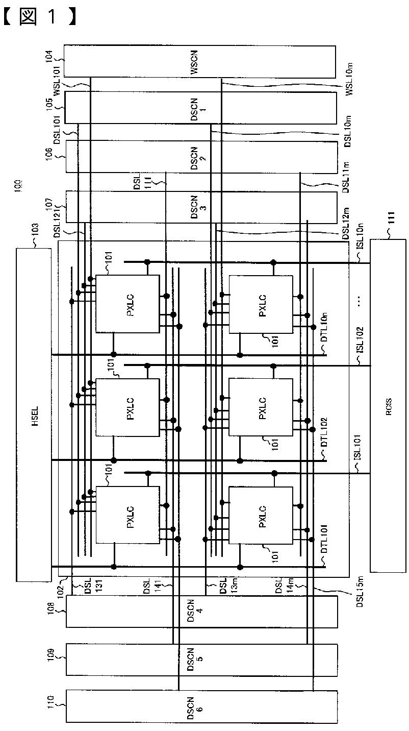
画素回路、表示装置、および画素回路の駆動方法
授权日
2008-06-06
公开(公告)号
JP4131227B2
申请日
2003-11-10
公开(公告)日
2008-08-13
当前申请(专利权)人
ソニー株式会社
发明人
内野 勝秀 | 山下 淳一 | 山本 哲郎
简单同族
CN100416639C | CN1879141A | JP2005141163A | JP2005141163A5 | JP4131227B2 | KR101065950B1 | KR1020060120083A | TW200527378A | TWI244633B | US20070052644A1 | US7355572 | WO2005045797A1
简单同族成员数量
12
简单同族被引用专利总数
52
诉讼案件数
0
法律状态/事件
未缴年费
抱歉,您的浏览器不支持PDF预览,请点击链接下载PDF文件