专利数据库
统计分析
产业报告
专利数据监控
产业人才
行业动态
产业政策法规
维权援助
个人中心
详情
文本
图像
标题
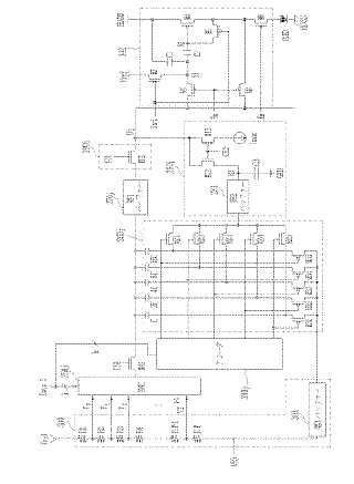
データ駆動回路、これを利用した有機発光表示装置、及びその駆動方法
授权日
1900-01-01
公开(公告)号
JP2007041532A
申请日
2006-05-09
公开(公告)日
2007-02-15
当前申请(专利权)人
三星モバイルディスプレイ株式會社 | 漢陽大学校産学協力団
发明人
鄭 寶 容 | 柳 道 享 | 金 ▲た▼ 權 | 權 五 敬
简单同族
CN100492474C | CN1909043A | EP1758086A2 | EP1758086A3 | EP1758086B1 | JP2007041532A | JP4611930B2 | KR100754131B1 | KR1020070015827A | US20070024542A1 | US7893897
简单同族成员数量
11
简单同族被引用专利总数
60
诉讼案件数
0
法律状态/事件
授权 | 权利转移
抱歉,您的浏览器不支持PDF预览,请点击链接下载PDF文件