专利数据库
统计分析
产业报告
专利数据监控
产业人才
行业动态
产业政策法规
维权援助
个人中心
详情
文本
图像
标题
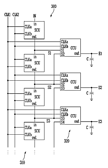
走査駆動回路とこれを利用した有機電界発光表示装置
授权日
1900-01-01
公开(公告)号
JP2007279667A
申请日
2006-10-11
公开(公告)日
2007-10-25
当前申请(专利权)人
三星モバイルディスプレイ株式會社
发明人
申 東 蓉
简单同族
CN100520889C | CN101051440A | EP1843317A1 | EP1843317B1 | JP2007279667A | JP4533365B2 | KR100748321B1 | TW200739499A | TWI362643B | US20070240024A1 | US8031141
简单同族成员数量
11
简单同族被引用专利总数
86
诉讼案件数
0
法律状态/事件
授权 | 权利转移
抱歉,您的浏览器不支持PDF预览,请点击链接下载PDF文件