专利数据库
统计分析
产业报告
专利数据监控
产业人才
行业动态
产业政策法规
维权援助
个人中心
详情
文本
图像
标题
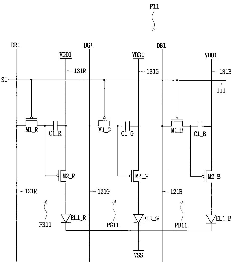
表示装置のピクセル回路,表示装置,及びその駆動方法
授权日
2008-10-31
公开(公告)号
JP4209831B2
申请日
2004-11-15
公开(公告)日
2009-01-14
当前申请(专利权)人
三星エスディアイ株式会社
发明人
郭 源奎 | 李 ▲寛▼煕 | キム クムナム
简单同族
AT368274T | CN1617206A | DE602004007739D1 | DE602004007739T2 | EP1531452A1 | EP1531452A8 | EP1531452B1 | EP1821282A2 | EP1821282A3 | JP2005148749A | JP4209831B2 | KR100686334B1 | KR1020050046467A | US20050104875A1 | US7561124
简单同族成员数量
15
简单同族被引用专利总数
96
诉讼案件数
0
法律状态/事件
授权 | 权利转移
抱歉,您的浏览器不支持PDF预览,请点击链接下载PDF文件