专利数据库
统计分析
产业报告
专利数据监控
产业人才
行业动态
产业政策法规
维权援助
个人中心
详情
文本
图像
标题
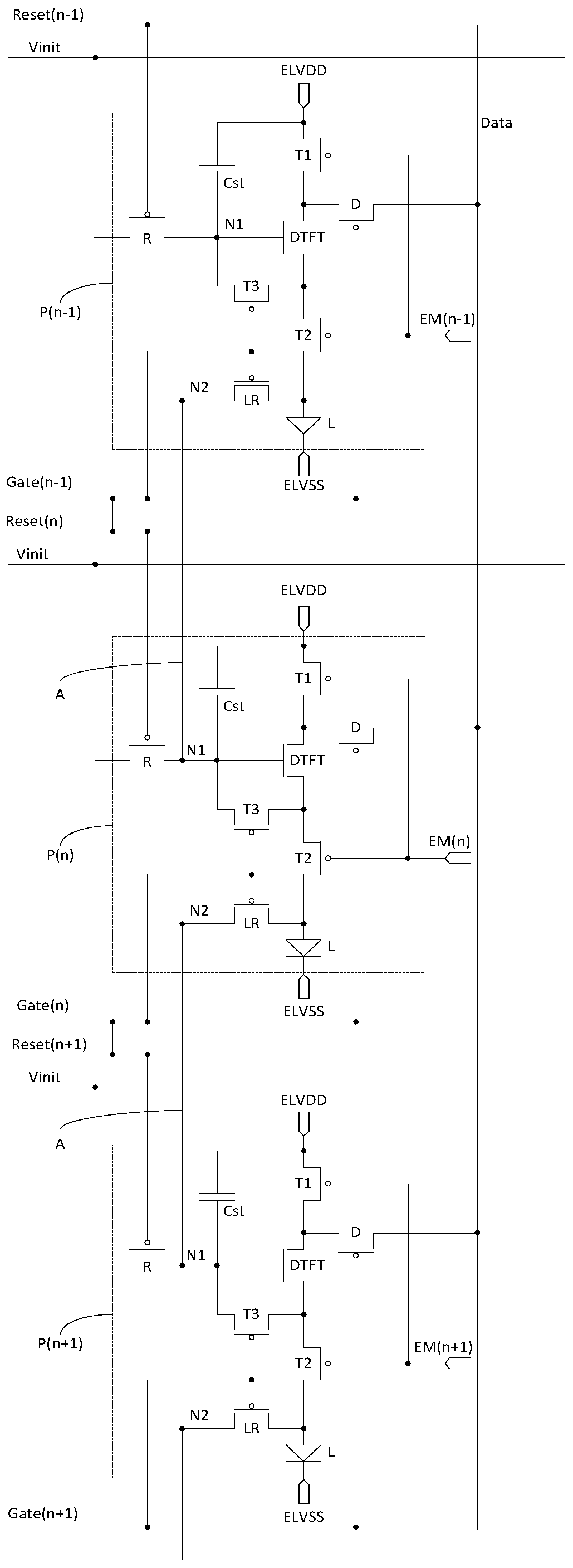
一种阵列基板、电致发光显示面板及显示装置
授权日
1900-01-01
公开(公告)号
CN111445849A
申请日
2020-04-30
公开(公告)日
2020-07-24
当前申请(专利权)人
京东方科技集团股份有限公司
发明人
王志冲 | 李付强 | 冯京 | 刘鹏 | 栾兴龙 | 袁广才
简单同族
CN111445849A
简单同族成员数量
1
简单同族被引用专利总数
0
诉讼案件数
0
法律状态/事件
公开
抱歉,您的浏览器不支持PDF预览,请点击链接下载PDF文件