专利数据库
统计分析
产业报告
专利数据监控
产业人才
行业动态
产业政策法规
维权援助
个人中心
详情
文本
图像
标题
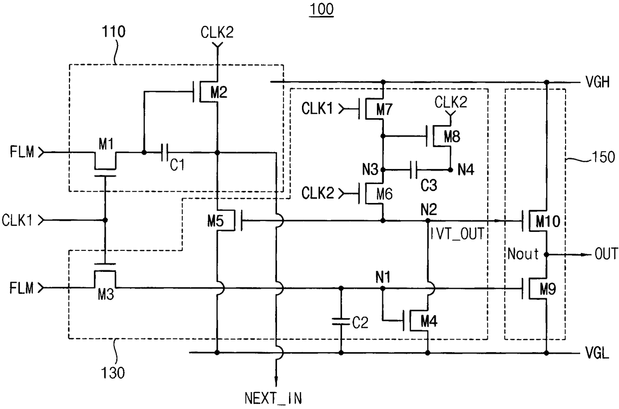
发光驱动单元、发光驱动部及有机发光显示装置
授权日
1900-01-01
公开(公告)号
CN103295522A
申请日
2013-01-31
公开(公告)日
2013-09-11
当前申请(专利权)人
三星显示有限公司
发明人
郑镇泰
简单同族
CN103295522A | CN103295522B | EP2634766A1 | EP2634766B1 | KR101881853B1 | KR1020130099588A | TW201335913A | TWI571851B | US20130222352A1 | US9324270
简单同族成员数量
10
简单同族被引用专利总数
57
诉讼案件数
0
法律状态/事件
授权
抱歉,您的浏览器不支持PDF预览,请点击链接下载PDF文件