专利数据库
统计分析
产业报告
专利数据监控
产业人才
行业动态
产业政策法规
维权援助
个人中心
详情
文本
图像
标题
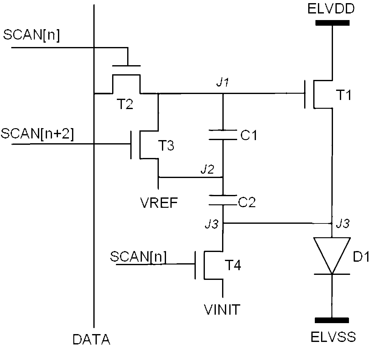
一种像素单元驱动电路、驱动方法及显示装置
授权日
1900-01-01
公开(公告)号
CN102982767A
申请日
2012-12-10
公开(公告)日
2013-03-20
当前申请(专利权)人
京东方科技集团股份有限公司
发明人
解红军
简单同族
CN102982767A | CN102982767B | US20140159609A1 | US9214506
简单同族成员数量
4
简单同族被引用专利总数
60
诉讼案件数
0
法律状态/事件
授权
抱歉,您的浏览器不支持PDF预览,请点击链接下载PDF文件