专利数据库
统计分析
产业报告
专利数据监控
产业人才
行业动态
产业政策法规
维权援助
个人中心
详情
文本
图像
标题
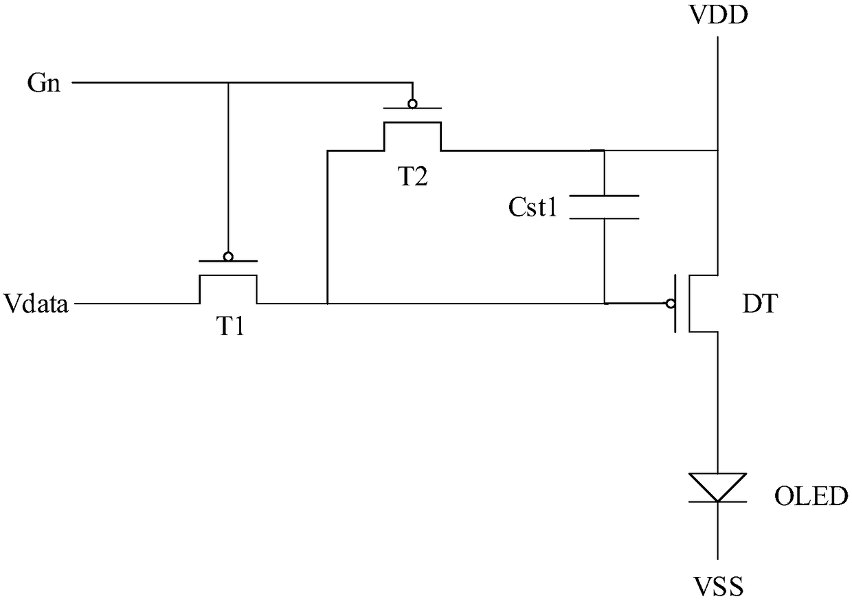
像素电路及其驱动方法、显示装置
授权日
1900-01-01
公开(公告)号
CN109308878A
申请日
2018-09-30
公开(公告)日
2019-02-05
当前申请(专利权)人
京东方科技集团股份有限公司 | 成都京东方光电科技有限公司
发明人
于子阳
简单同族
CN109308878A
简单同族成员数量
1
简单同族被引用专利总数
0
诉讼案件数
0
法律状态/事件
实质审查
抱歉,您的浏览器不支持PDF预览,请点击链接下载PDF文件