专利数据库
统计分析
产业报告
专利数据监控
产业人才
行业动态
产业政策法规
维权援助
个人中心
详情
文本
图像
标题
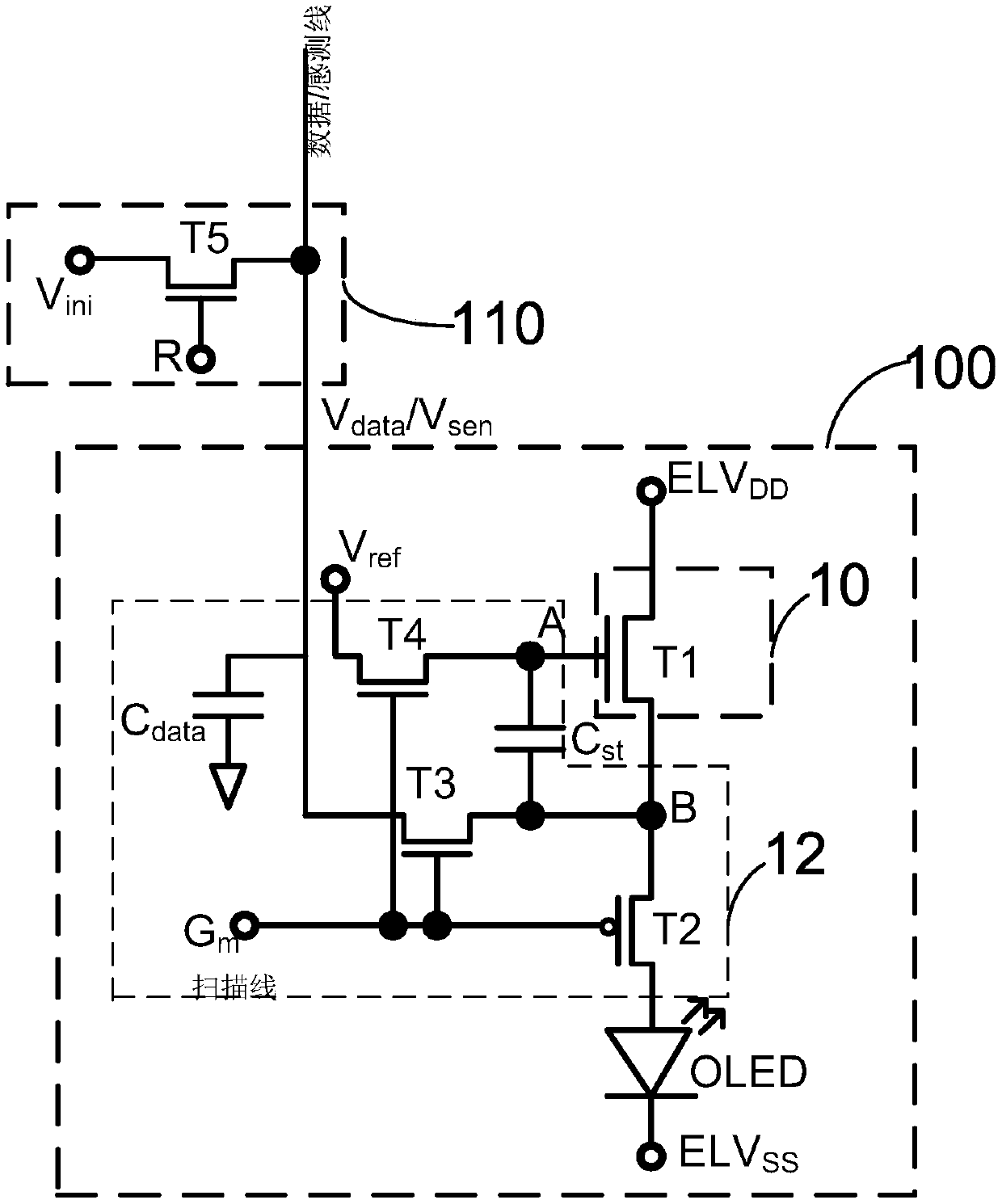
具有时间共享信号线的像素电路、像素补偿方法和显示设备
授权日
1900-01-01
公开(公告)号
CN110520923A
申请日
2018-09-20
公开(公告)日
2019-11-29
当前申请(专利权)人
京东方科技集团股份有限公司
发明人
殷新社
简单同族
CN110520923A | WO2020056676A1
简单同族成员数量
2
简单同族被引用专利总数
0
诉讼案件数
0
法律状态/事件
实质审查
抱歉,您的浏览器不支持PDF预览,请点击链接下载PDF文件