专利数据库
统计分析
产业报告
专利数据监控
产业人才
行业动态
产业政策法规
维权援助
个人中心
详情
文本
图像
标题
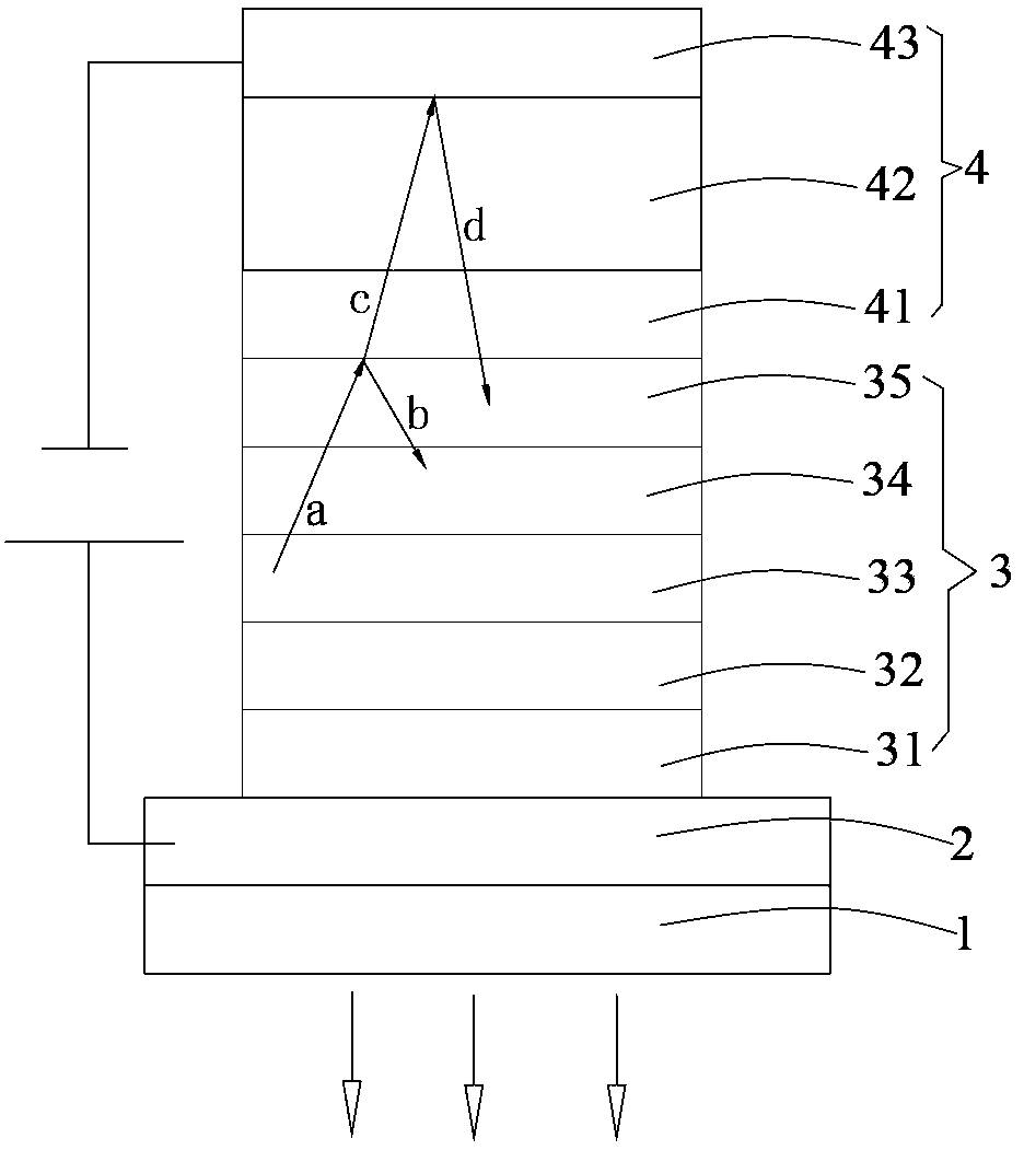
有机电致发光装置、显示屏及其终端
授权日
1900-01-01
公开(公告)号
CN104183762A
申请日
2013-05-22
公开(公告)日
2014-12-03
当前申请(专利权)人
海洋王照明科技股份有限公司 | 深圳市海洋王照明技术有限公司 | 深圳市海洋王照明工程有限公司
发明人
周明杰 | 冯小明 | 黄辉 | 王平
简单同族
CN104183762A
简单同族成员数量
1
简单同族被引用专利总数
0
诉讼案件数
0
法律状态/事件
撤回
抱歉,您的浏览器不支持PDF预览,请点击链接下载PDF文件