专利数据库
统计分析
产业报告
专利数据监控
产业人才
行业动态
产业政策法规
维权援助
个人中心
详情
文本
图像
标题
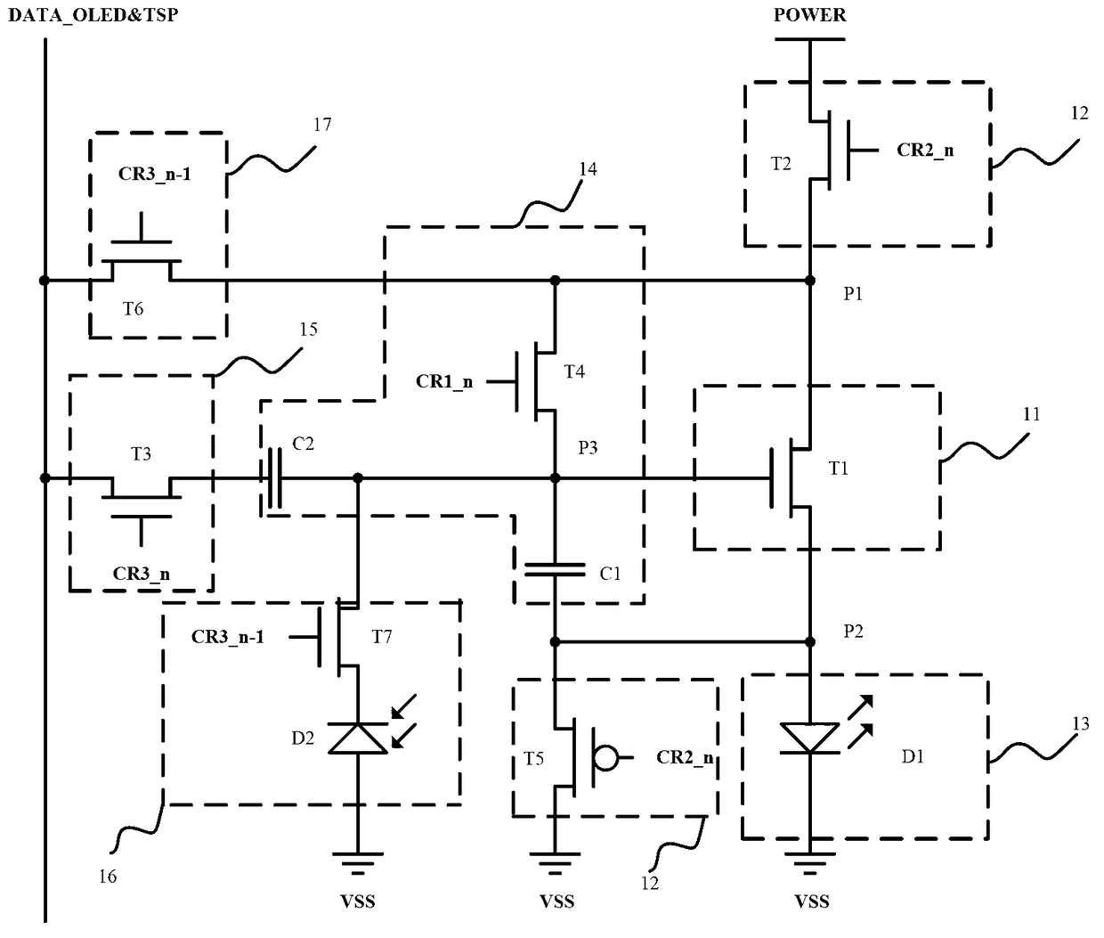
有源矩阵有机发光二极管像素单元电路以及显示面板
授权日
1900-01-01
公开(公告)号
CN103354078A
申请日
2013-06-26
公开(公告)日
2013-10-16
当前申请(专利权)人
京东方科技集团股份有限公司 | 成都京东方光电科技有限公司
发明人
谭文 | 祁小敬 | 吴博
简单同族
CN103354078A | CN103354078B | US20150302801A1 | US9530354 | WO2014205950A1
简单同族成员数量
5
简单同族被引用专利总数
51
诉讼案件数
0
法律状态/事件
授权
抱歉,您的浏览器不支持PDF预览,请点击链接下载PDF文件