专利数据库
统计分析
产业报告
专利数据监控
产业人才
行业动态
产业政策法规
维权援助
个人中心
详情
文本
图像
标题
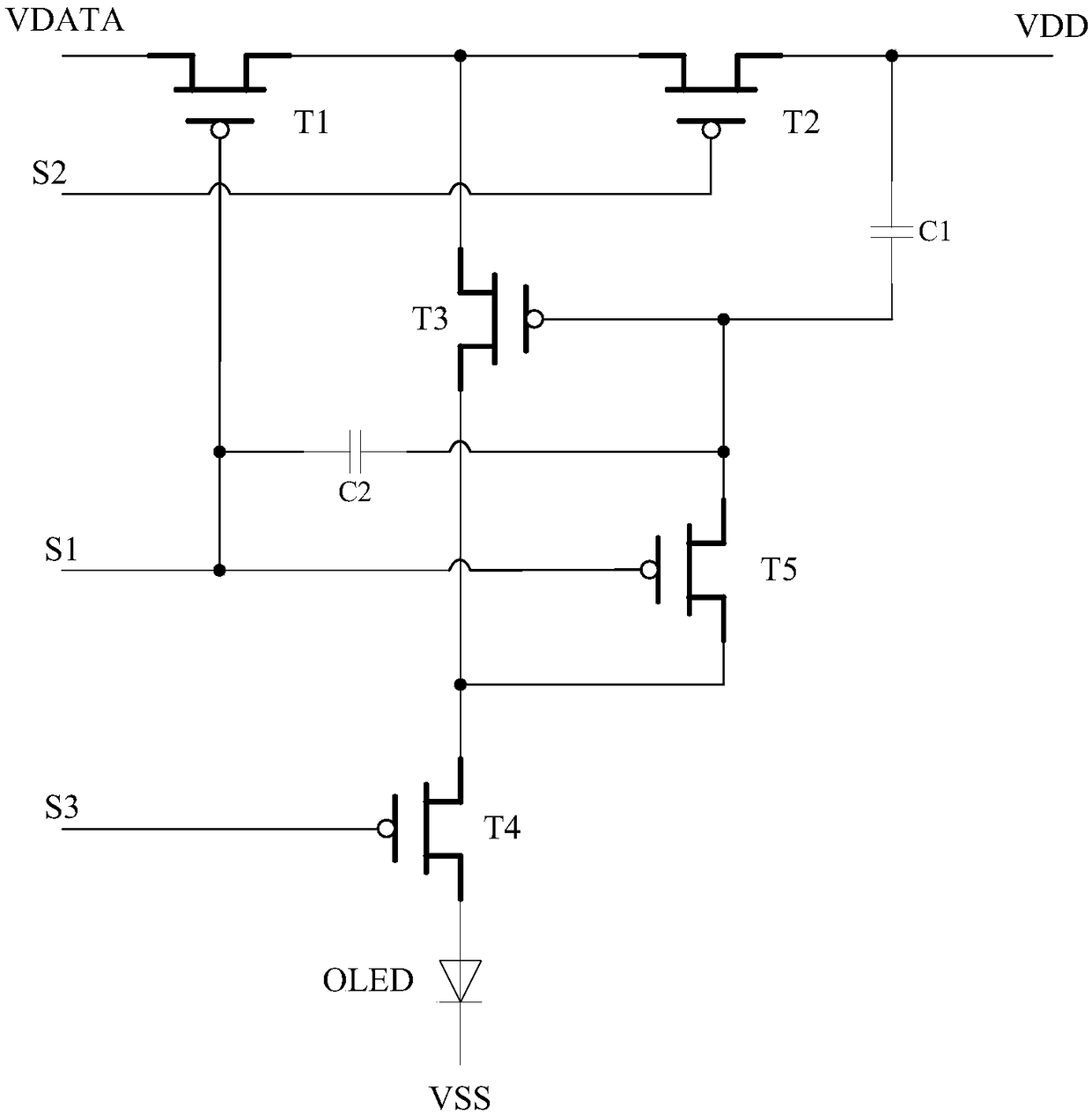
OLED显示装置及其像素电路、像素单元电路及驱动方法
授权日
1900-01-01
公开(公告)号
CN108269526A
申请日
2017-01-04
公开(公告)日
2018-07-10
当前申请(专利权)人
昆山工研院新型平板显示技术中心有限公司
发明人
胡思明 | 杨楠 | 张九占 | 宋艳芹 | 朱晖
简单同族
CN108269526A | CN108269526B
简单同族成员数量
2
简单同族被引用专利总数
0
诉讼案件数
0
法律状态/事件
授权
抱歉,您的浏览器不支持PDF预览,请点击链接下载PDF文件