专利数据库
统计分析
产业报告
专利数据监控
产业人才
行业动态
产业政策法规
维权援助
个人中心
详情
文本
图像
标题
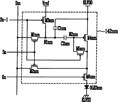
有机发光显示器的数据驱动电路和驱动方法
授权日
1900-01-01
公开(公告)号
CN1909043A
申请日
2006-07-31
公开(公告)日
2007-02-07
当前申请(专利权)人
三星显示有限公司 | 汉阳大学校产业协力团
发明人
郑宝容 | 柳道亨 | 金烘权 | 权五敬
简单同族
CN100492474C | CN1909043A | EP1758086A2 | EP1758086A3 | EP1758086B1 | JP2007041532A | JP4611930B2 | KR100754131B1 | KR1020070015827A | US20070024542A1 | US7893897
简单同族成员数量
11
简单同族被引用专利总数
60
诉讼案件数
0
法律状态/事件
授权 | 权利转移
抱歉,您的浏览器不支持PDF预览,请点击链接下载PDF文件