专利数据库
统计分析
产业报告
专利数据监控
产业人才
行业动态
产业政策法规
维权援助
个人中心
详情
文本
图像
标题
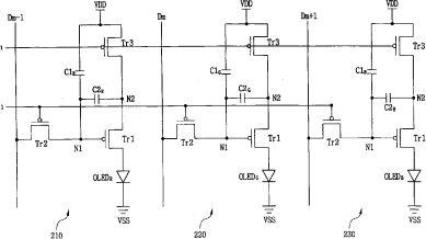
有机发光二极管显示装置
授权日
1900-01-01
公开(公告)号
CN101329836A
申请日
2008-06-23
公开(公告)日
2008-12-24
当前申请(专利权)人
三星显示有限公司
发明人
李在容 | 金阳完
简单同族
CN101329836A | CN101329836B | EP2006831A1 | EP2006831B1 | JP2009003401A | JP5235362B2 | KR100882907B1 | KR1020080112630A | US20080316150A1 | US9449550
简单同族成员数量
10
简单同族被引用专利总数
46
诉讼案件数
0
法律状态/事件
授权 | 权利转移
抱歉,您的浏览器不支持PDF预览,请点击链接下载PDF文件