首页
专利数据库
产业人才
行业动态
产业政策法规
维权援助
个人中心
登录/注册
详情
文本
图像
标题:
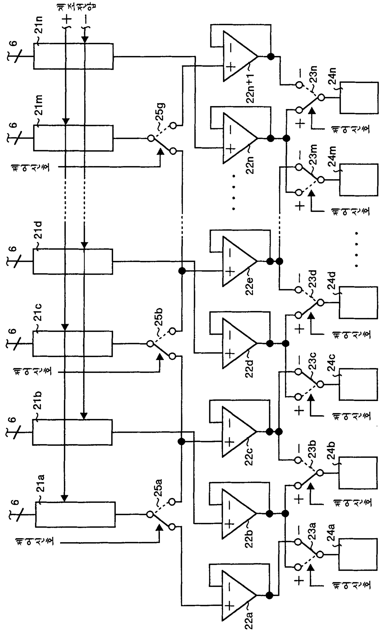
LCD패널 구동 회로
授权日:
2006-08-14
公开(公告)号:
KR100614471B1
申请日:
2000-02-11
公开(公告)日:
2006-08-22
当前申请(专利权)人:
후지쯔 가부시끼가이샤
发明人:
우도신야 | 구도오사무
简单同族:
JP2001056664A | JP4806481B2 | KR100614471B1 | KR1020010020634A | TW561442B | US6747624
简单同族成员数量:
6
简单同族被引用专利总数:
51
诉讼案件数:
0
法律状态/事件:
未缴年费 | 权利转移