首页
专利数据库
产业人才
行业动态
产业政策法规
维权援助
个人中心
登录/注册
详情
文本
图像
标题:
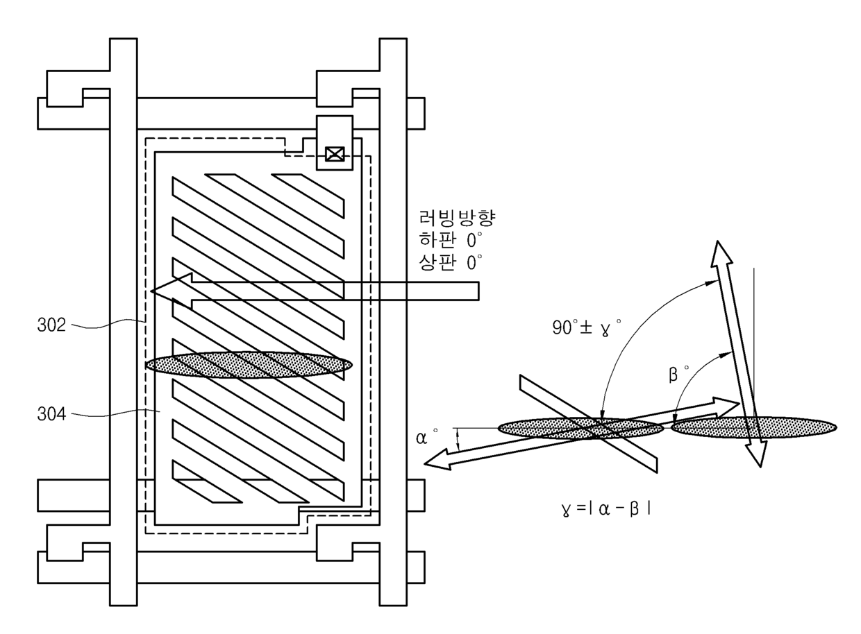
프린지 필드 구동 모드 액정표시장치에서의 편광축 및 러빙축을 배열하는 방법
授权日:
2006-05-01
公开(公告)号:
KR100577799B1
申请日:
2004-02-16
公开(公告)日:
2006-05-11
当前申请(专利权)人:
하이디스 테크놀로지 주식회사
发明人:
이경하 | 김귀현
简单同族:
CN101354491A | CN101354491B | CN1658038A | JP2005234527A | JP4632118B2 | KR100577799B1 | KR1020050081745A | TW200528817A | TWI269101B | US20050179835A1 | US7161649
简单同族成员数量:
11
简单同族被引用专利总数:
60
诉讼案件数:
0
法律状态/事件:
授权 | 权利转移