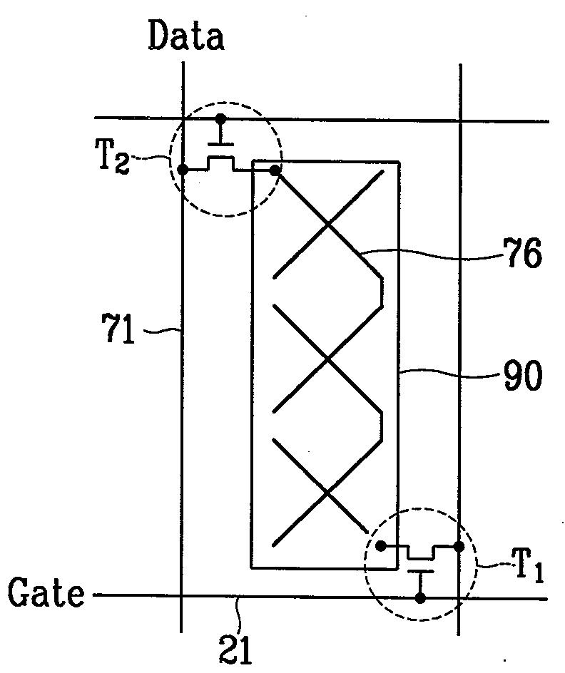
标题:
다중 도메인 액정 표시 장치 및 그 박막 트랜지스터 기판
授权日:
1900-01-01
公开(公告)号:
KR1020030072859A
申请日:
2002-03-07
公开(公告)日:
2003-09-19
当前申请(专利权)人:
삼성전자주식회사
发明人:
이백운 | 김희섭 | 홍성규 | 신경주 | 양영철
简单同族:
AU2003212686A1 | AU2003212686A8 | JP2005519327A | JP4241391B2 | KR100870005B1 | KR1020030072859A | TW200304229A | TWI290767B | US20060164565A1 | US7154569 | WO2003075077A2 | WO2003075077A3
简单同族成员数量:
12
简单同族被引用专利总数:
74
诉讼案件数:
0
法律状态/事件:
未缴年费 | 权利转移