首页
专利数据库
产业人才
行业动态
产业政策法规
维权援助
个人中心
登录/注册
详情
文本
图像
标题:
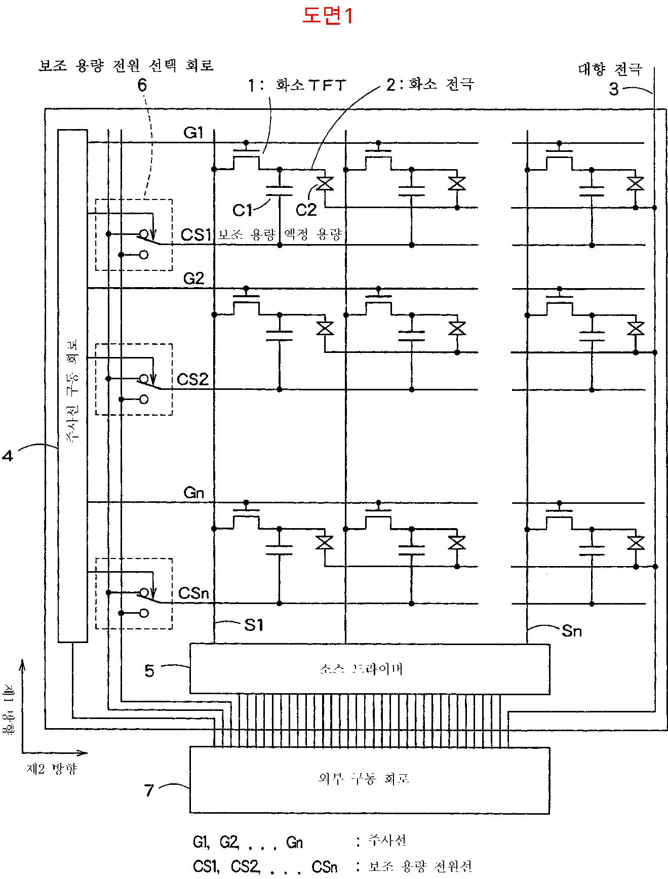
액정 표시 장치
授权日:
1900-01-01
公开(公告)号:
KR1020050009154A
申请日:
2004-07-09
公开(公告)日:
2005-01-24
当前申请(专利权)人:
가부시키가이샤 저팬 디스플레이 센트럴
发明人:
쯔나시마다까노리 | 기무라히로유끼 | 가루베마사오 | 후지와라히사오
简单同族:
CN1332247C | CN1576974A | KR100608191B1 | KR1020050009154A | TW200532615A | TWI279760B | US20050036078A1 | US7187421
简单同族成员数量:
8
简单同族被引用专利总数:
53
诉讼案件数:
0
法律状态/事件:
授权