首页
专利数据库
产业人才
行业动态
产业政策法规
维权援助
个人中心
登录/注册
详情
文本
图像
标题:
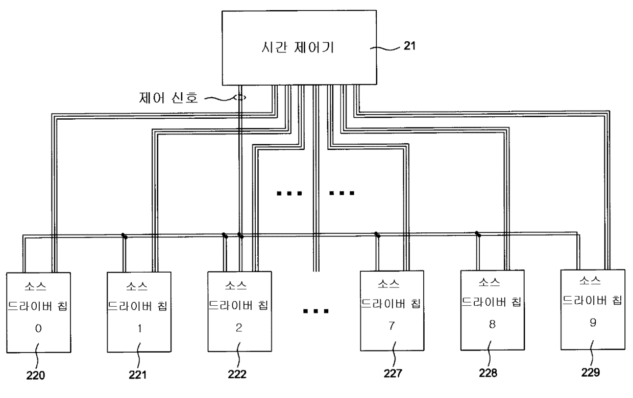
LCD 패널용 시간제어기, 소스 드라이버, 제어 회로 및 제어 방법
授权日:
2008-03-11
公开(公告)号:
KR100814543B1
申请日:
2006-05-22
公开(公告)日:
2008-03-17
当前申请(专利权)人:
선플러스 테크놀로지 코오퍼레이션, 리미티드.
发明人:
루오흐신청 | 팡동센 | 양호흐성
简单同族:
KR100814543B1 | KR1020060121114A | TW200641749A | TWI261796B | US20060262065A1 | US8212759
简单同族成员数量:
6
简单同族被引用专利总数:
48
诉讼案件数:
0
法律状态/事件:
未缴年费