首页
专利数据库
产业人才
行业动态
产业政策法规
维权援助
个人中心
登录/注册
详情
文本
图像
标题:
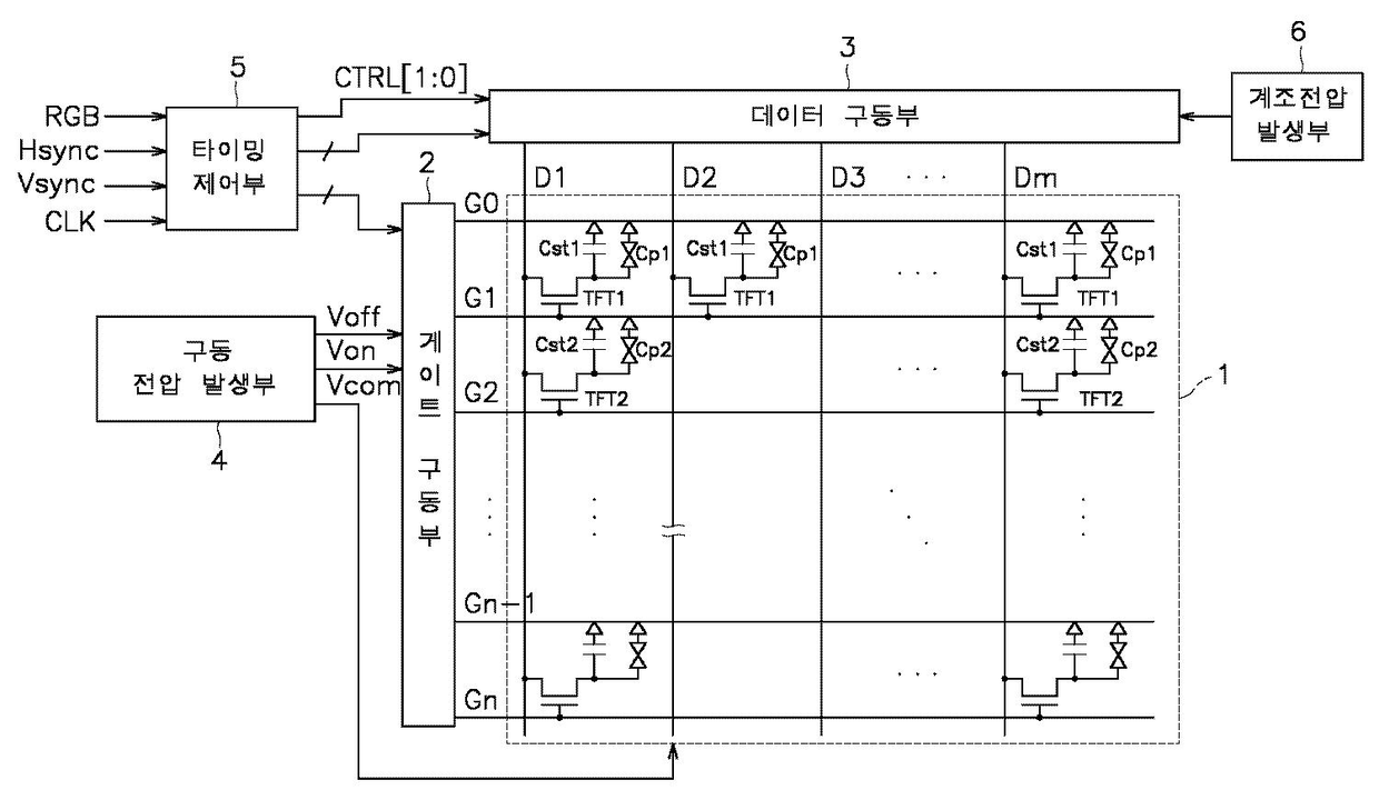
액정 표시 장치 및 그 구동 방법
授权日:
2008-10-14
公开(公告)号:
KR100864492B1
申请日:
2002-05-03
公开(公告)日:
2008-10-20
当前申请(专利权)人:
삼성전자주식회사
发明人:
MOON,SEUNGHWAN
简单同族:
AU2003222510A1 | AU2003222510A8 | CN100481193C | CN1856818A | JP2006501490A | KR100864492B1 | KR1020030086047A | US20060071897A1 | WO2003094362A2 | WO2003094362A3
简单同族成员数量:
10
简单同族被引用专利总数:
48
诉讼案件数:
0
法律状态/事件:
放弃