首页
专利数据库
产业人才
行业动态
产业政策法规
维权援助
个人中心
登录/注册
详情
文本
图像
标题:
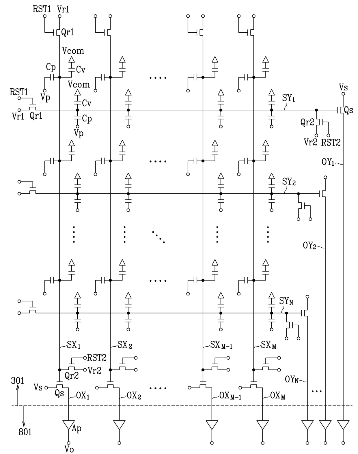
접촉 감지 기능이 있는 표시 장치
授权日:
1900-01-01
公开(公告)号:
KR1020070044990A
申请日:
2005-10-26
公开(公告)日:
2007-05-02
当前申请(专利权)人:
삼성전자주식회사
发明人:
박상진 | 이주형 | 이명우
简单同族:
CN1955823A | CN1955823B | JP2007122733A | JP4974141B2 | KR101152136B1 | KR1020070044990A | US20070091013A1 | US20120013572A1 | US8054261
简单同族成员数量:
9
简单同族被引用专利总数:
81
诉讼案件数:
0
法律状态/事件:
授权 | 权利转移