首页
专利数据库
产业人才
行业动态
产业政策法规
维权援助
个人中心
登录/注册
详情
文本
图像
标题:
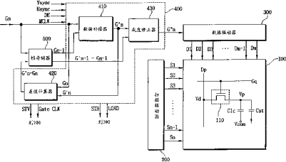
液晶显示设备及其驱动方法
授权日:
1900-01-01
公开(公告)号:
CN1576966A
申请日:
2004-03-15
公开(公告)日:
2005-02-09
当前申请(专利权)人:
三星显示有限公司
发明人:
李升佑
简单同族:
CN100401142C | CN1576966A | JP2005049840A | JP4638182B2 | KR100951902B1 | KR1020050003919A | TW200509042A | TWI367469B | US20050001802A1 | US7304624
简单同族成员数量:
10
简单同族被引用专利总数:
78
诉讼案件数:
0
法律状态/事件:
授权 | 权利转移