首页
专利数据库
产业人才
行业动态
产业政策法规
维权援助
个人中心
登录/注册
详情
文本
图像
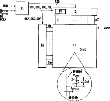
标题:
液晶显示器
授权日:
1900-01-01
公开(公告)号:
CN101751887A
申请日:
2009-07-03
公开(公告)日:
2010-06-23
当前申请(专利权)人:
乐金显示有限公司
发明人:
郑龙彩 | 朴承喆 | 南尚辰
简单同族:
CN101751887A | CN101751887B | KR101322002B1 | KR1020100060377A | US20100127960A1 | US8368629
简单同族成员数量:
6
简单同族被引用专利总数:
57
诉讼案件数:
0
法律状态/事件:
授权