标题:
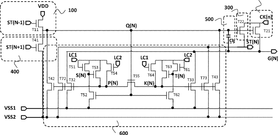
Goa circuit and liquid crystal display device applied to liquid crystal displays
授权日:
1900-01-01
公开(公告)号:
US20160140922A1
申请日:
2014-11-27
公开(公告)日:
2016-05-19
当前申请(专利权)人:
SHENZHEN CHINA STAR OPTOELECTRONICS TECHNOLOGY CO., LTD.
发明人:
DAI, CHAO | LAI, TZU-CHIEH
简单同族:
CN104376824A | DE112014007171T5 | EA031969B1 | EA201791052A1 | EA31969B1 | GB201709230D0 | GB2548282A | JP2017534924A | JP6434620B2 | KR1020170083120A | KR102044547B1 | US20160140922A1 | US9460676 | WO2016074283A1
简单同族成员数量:
14
简单同族被引用专利总数:
73
诉讼案件数:
0
法律状态/事件:
授权 | 权利转移