首页
专利数据库
产业人才
行业动态
产业政策法规
维权援助
个人中心
登录/注册
详情
文本
图像
标题:
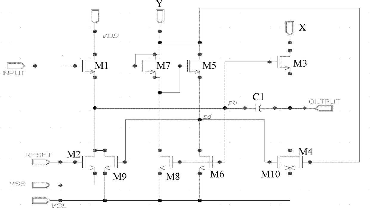
栅极集成驱动电路、移位寄存器及显示屏
授权日:
1900-01-01
公开(公告)号:
CN102629444A
申请日:
2011-08-22
公开(公告)日:
2012-08-08
当前申请(专利权)人:
北京京东方光电科技有限公司
发明人:
陈希
简单同族:
CN102629444A | CN102629444B | EP2750122A1 | EP2750122A4 | JP2014524598A | JP6227530B2 | KR101443126B1 | KR1020130043637A | US20130088265A1 | WO2013026387A1
简单同族成员数量:
10
简单同族被引用专利总数:
117
诉讼案件数:
0
法律状态/事件:
授权